Запчасти Bobcat Articulated Loaders ENGINE ELECTRICAL ELECTRICAL SYSTEM

Схема запчастей Bobcat Articulated Loaders - ENGINE ELECTRICAL ELECTRICAL SYSTEM
FIT
1:1
100%

Артикул

Название

Примечание

Количество

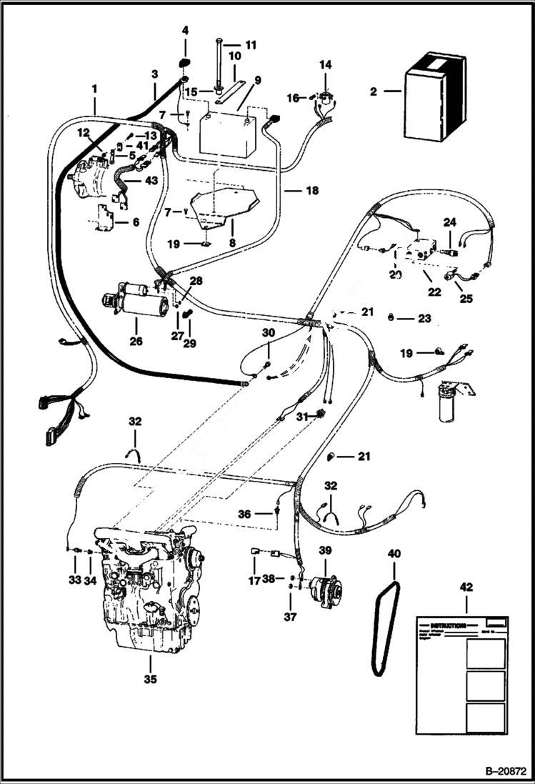
1

6539460

HARNESS engine - Was 6537209 - A

2

6660084

FUSE KIT See Illustration MASTER FUSE KIT/ B13319 W/100 AMP FUSE - REPLACES 80 AMP - WAS 6657265 - A

3

6586096

CABLE negative

4

6599652

BOOT

5

6532241

CAM

6

6586101

BRACKET

7

84G3712

BOLT 5

8

6534695

BATTERY PAN

9

6665427

BATTERY, DRY 950 AMP Was 6641343 - A

10

6536602

CLAMP

11

6569623

BOLT

12

85D5

NUT 5

13

17C516

BOLT

14

6659319

SOLENOID magnetic - Was 6632186 - A

15

6655819

BUSHING

16

84G2508

BOLT Was 25G000516B - B

17

6567537

DIODE

18

6538622

CABLE positive - Was 6586097 - A

19

6650255

NUT Was 6646598 - A

20

6657082

SWITCH 230 F. temperature-Was 6568930 - A

21

30H49

CLAMP

22

79K6

O RING 10

23

24K5

PLUG

24

6664440

SWITCH 100 F. temperature-Was 6657724 - A

25

6652532

VALVE solenoid

25

6652529

COIL For 6652532 Valve

26

STARTER See Illustration STARTER/ D2119

27

4DM5

NUT

28

4DM10

NUT

29

6632453

BOOT

30

BOLT NLA - Was 2C000716B - A

31

6515472

SWITCH oil pressure

32

6610510

TIE

33

SENDER See BTI259 NLA - temperature - Was 6599492 - A

33

6658818

SENDER See BTI259 eng temp - threaded connector

34

19F4

BUSHING

35

6641312

ENGINE See Illustration PERKINS DIESEL ENGINE/ B20804

36

6598384

SWITCH temperature

37

61D4

NUT 5

38

12D10

NUT

39

ALTERNATOR See Illustration ALTERNATOR/ B12420

40

6646841

BELT alternator

41

6532242

SHIM

42

6720883

INSTRUCTIONS For Ref. 2 fuse kit

43

6586205

HARNESS Backup and neutral start - Includes 6631898 Switches - Also Order (2) 6631749 Hdwr. Kit

43

6631898

SWITCH Also Order 6631749 Hdwr. Kit

43

6631749

HARDWARE KIT Includes screws, washers, nuts and leaf switch

Выбрано товаров: 47