Запчасти Bobcat Feller Buncher SEAT & SEAT BAR MAIN FRAME

Схема запчастей Bobcat Feller Buncher - SEAT & SEAT BAR MAIN FRAME
FIT
1:1
100%

Артикул

Название

Примечание

Количество

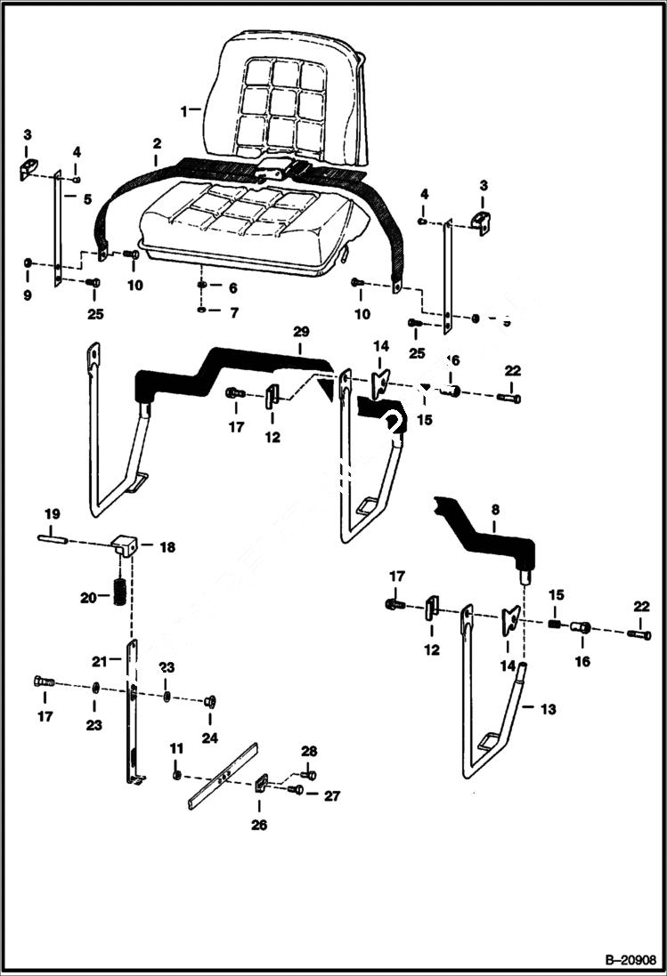
1

SEAT See Illustration SUSPENSION SEAT/ D1897

2

6564774

SEAT BELT

3

GUIDE NLA - Order 6703703 - Was 6565355

4

6630207

RIVET 5 Was 6512797 - A

5

6565354

GUIDE ASSY. W/Ref. 3 & 4

6

4E5

WASHER

7

61D5

NUT

8

SEAT BAR NLA - bar only - Order Ref. 29 - Was 6563095 - A

9

85D7

NUT

10

17C716

BOLT

11

83D6

NUT 5

12

6563557

WASHER

13

ARM NLA - L.H. - Order Ref. 29 - Was 6563296 - A

13

ARM NLA - R.H. - Order Ref. 29 - Was 6563295 - A

14

6563313

RETAINER

15

6704453

SPRING Was 6503387 - A

16

6568742

BUSHING

17

17C612

BOLT 5

18

6563148

BLOCK, SPRING

19

14J2512

PIN 5

20

6702430

SPRING, COMPRESSION Was 6563149 - A

21

6563160

LOCK

22

35C608

BOLT

23

6700170

WASHER nylon - Was 6563152 - A

24

6559479

NUT

25

84G3712

BOLT 5

26

6563151

LINK

27

17C614

BOLT

28

17C616

BOLT 5

29

6706324

SEAT BAR 1 Piece - Was 6564588 - A

Выбрано товаров: 30