Запчасти Bobcat Feller Buncher DRIVE TRAIN DRIVE TRAIN

Схема запчастей Bobcat Feller Buncher - DRIVE TRAIN DRIVE TRAIN
FIT
1:1
100%

Артикул

Название

Примечание

Количество

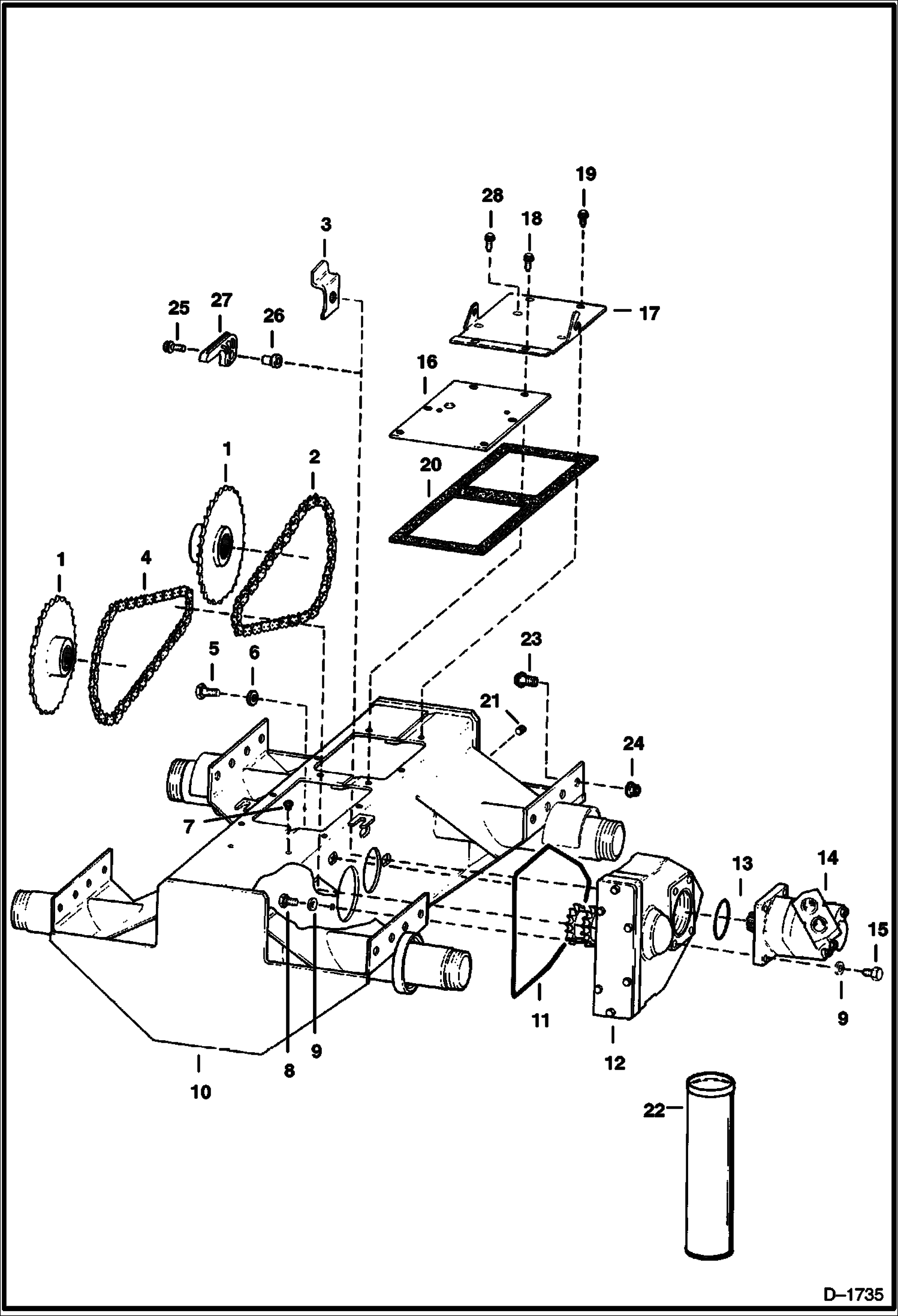
1

6568918

SPROCKET, AXLE

2

6564229

CHAIN W/Connector Link

2

6510614

LINK connector - Diamond

2

6591030

LINK connector - Tsubaki

3

CHAIN GUIDE NLA - R.H. & L.H. - Order Ref. 25-27 - Was 6559726 - A

4

6564228

CHAIN W/Connector Link

4

6510614

LINK connector - Diamond

4

6591030

LINK connector - Tsubaki

5

17C1228

BOLT

6

6576033

WASHER Was 6558465 - A

7

6558506

PLUG

8

17C820

BOLT

9

6701097

WASHER Was 6558956 - A

10

6567301

CHAINCASE

11

6558518

O-RING

12

6578781

GEARCASE See Illustration GEARCASE/ B20979 WAS 6558308 - A

13

25K30508

O-RING, 10

14

MOTOR See Illustration HYDROSTATIC MOTOR/ B20983

15

17C828

BOLT

16

6558467

COVER

17

COVER NLA - Order 6575654 & Ref. 28 - Was 6554093 - A

17

6575654

COVER

18

84G3716

SCREW 5

19

84G3712

BOLT 5

20

6553833

GASKET

21

6568284

PLUG

22

6632501

SEALANT To Fill Seam on Chaincase

23

31C1228

BOLT

24

83D12

NUT Was 85D000012B - B

25

17C1252

BOLT

26

6569807

BUSHING

27

6569808

CHAIN GUIDE plastic

28

6632601

BREATHER

Выбрано товаров: 33