Качественные детали и логистика
Оригинальные и аналоговые запчасти с доставкой по России, Казахстану и Беларуси
©2022 PartSell ООО "Система" ИНН 2463123282 ОГРН 1212400004838
Центральный офис: г. Красноярск, Академика Киренского, д.87, пом.4
Телефон: 8 (800) 777-65-74 Email: zakaz@partsell.ru
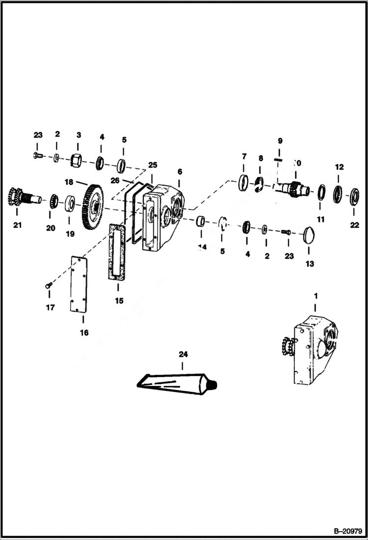
GEARCASE
№
Артикул
Название
Примечание
Количество
1
6578781
GEARCASE Ref. 2 - 23 - Was 6558308 - A
2
6558234
WASHER
3
6703055
HUB Was 6558209 - A
4
6648774
BEARING Was 743778B - A
5
6648776
RACE Was 743777B - A
6
6563577
HOUSING
7
1320905
CUP
8
1320904
CONE
9
6708255
KEY Was 7J006012B - A
10
6558271
SHAFT, GEARBOX INPUT
11
6559619
WASHER back-up
12
6513588
SEAL, OIL
13
6565289
CAP
14
6558276
COLLAR
15
6558273
GASKET
16
6558274
COVER
17
17C512
BOLT 5
18
6558270
GEAR, DRIVE
19
660181
20
731284
BEARING
21
6558278
SHAFT
22
6513681
23
17C1220
BOLT
24
6561395
SEALANT Boretite
25
6563574
RETAINER
26
6558518
O-RING
Выбрано товаров: 0