Качественные детали и логистика
Оригинальные и аналоговые запчасти с доставкой по России, Казахстану и Беларуси
©2022 PartSell ООО "Система" ИНН 2463123282 ОГРН 1212400004838
Центральный офис: г. Красноярск, Академика Киренского, д.87, пом.4
Телефон: 8 (800) 777-65-74 Email: zakaz@partsell.ru
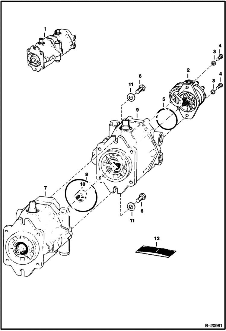
HYDROSTATIC PUMPS
№
Артикул
Название
Примечание
Количество
1
PUMP NLA - Ref. 2-12 - Was 6631604
2
6631909
PUMP See Illustration GEAR PUMP/ B20982 GEAR
3
6510585
WASHER
4
17C616
BOLT 5
5
25K20308
O RING 10
6
17C1024
BOLT
7
6513976
PUMP, HYD REAR See Illustration HYDROSTATIC PUMP/ E1280 REAR
8
58K353
O RING
9
6631910
PUMP, HYD FRONT See Illustration HYDROSTATIC PUMP/ E1281 FRONT
10
6514002
COUPLER
11
6513980
12
6632044
SEAL KIT complete pump
Выбрано товаров: 0