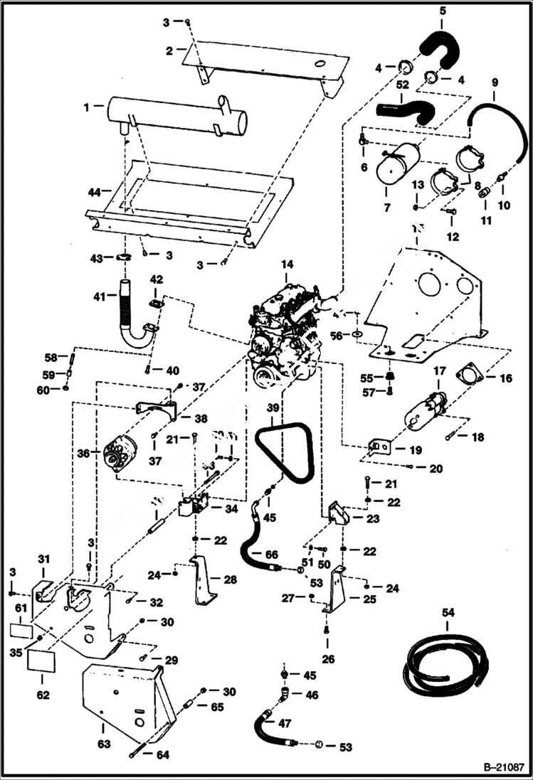
Запчасти Bobcat Feller Buncher ENGINE & ATTACHING PARTS POWER UNIT

Схема запчастей Bobcat Feller Buncher - ENGINE & ATTACHING PARTS POWER UNIT
FIT
1:1
100%

Артикул

Название

Примечание

Количество

1

6559954

MUFFLER, SPARK ARRESTOR spark arrestor

2

6567720

SHIELD

3

84G3712

BOLT 5

4

6598799

CLAMP

5

6568990

HOSE

6

6598753

ELBOW

7

6563400

AIR CLEANER See Illustration AIR CLEANER/ B20995

8

6516191

BAND Was 871610B - A

9

HOSE NLA - 24'' long - Order Ref. 54 - Was 6559797 - A

10

6505813

CONNECTOR

11

6515007

GAUGE

12

17C614

BOLT

13

61D6

NUT 5

14

ENGINE See Illustration ENGINE/ B20987

15

6569313

MOUNT

16

6562264

BLOCK

17

STARTER See Illustration STARTER/ D2119 See Illustration STARTER/ B20986

18

17C636

BOLT Was 17C000628B - B

19

6568986

MOUNT

20

5CM1020

SCREW

21

17C624

BOLT 5

22

616783

WASHER

23

6702896

MOUNT Was 6568883 - A

24

85D6

NUT, 5

25

6569316

MOUNT

26

17C820

BOLT

27

85D8

NUT, 5

28

6569317

MOUNT

29

35C528

SCREW

30

85D5

NUT 5 Was 61D000005B - B

31

SHIELD NLA - Order 61 - 65 - Was 6568896 - A

32

1CM812

BOLT Was 29CM00812B - B

33

1CM10180

BOLT

34

6568880

MOUNT

35

39DM10

NUT

36

ALTERNATOR See Illustration ALTERNATOR/ B20985 See Illustration ALTERNATOR/ B20984 See Illustration ALTERNATOR/ C3312

37

29CM825

BOLT

38

6568897

BRACKET

39

6655314

BELT, ALT Was 6631868 - A

40

6563005

BOLT

41

6703639

EXHAUST PIPE Was 6569122 - A

42

6705793

GASKET Was 6569003 - A

43

6677363

CLAMP, FULL CIRCLE Was 657904B - A

44

6567715

SHIELD

45

6701985

ADAPTER Was 6631566 - A

46

11K6

UNION

47

6805079

HOSE Was 6564639 - C

48

85D10

NUT, 5

49

6569980

SPACER

50

6659937

BOLT Was 3984320B - A

51

7EM100

LOCKWSHR

52

6569973

HOSE

53

36K6

CAP

54

6557720

HOSE bulk - Sold Per Foot

55

6513606

MOUNT rubber - Was 6514897 - A

56

6514557

WASHER

57

17C1048

BOLT

58

6631734

STUD

59

6578452

SPACER

60

2DM10

NUT Was 5DM00010B - A

61

6576441

DECAL

62

6579511

DECAL

63

6701924

SHIELD

64

17C596

BOLT

65

6702938

SPACER

66

6571679

HOSE

Выбрано товаров: 66