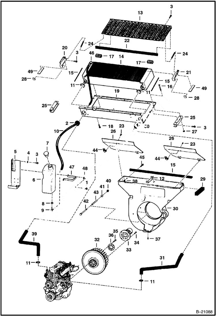
Запчасти Bobcat Feller Buncher ENGINE & ATTACHING PARTS POWER UNIT

Схема запчастей Bobcat Feller Buncher - ENGINE & ATTACHING PARTS POWER UNIT
FIT
1:1
100%

Артикул

Название

Примечание

Количество

1

84G3716

SCREW 5

2

6512067

GROMMET

3

84G3712

BOLT 5

4

6E6

WASHER

5

6567509

MOUNT

6

6567508

TANK

7

6702797

CAP Was 6558658 - A

8

6553411

BUSHING

9

6553412

ELBOW

10

6562603

HOSE

11

42H32

HS CLAMP5

12

6568898

BRACE

13

6567714

GRILL

14

6630558

RADIATOR

15

6511855

SEAL self adhesive - bulk - sold per foot

16

7C536

BOLT

17

6554274

INSULATION bulk Sold Per Foot

18

1C506

BOLT Was 17C000506B - A

19

6567715

SHIELD

20

6567893

RETAINER W/Ref. 49 & 50

21

6567892

RETAINER W/Ref. 49 & 50

22

4126590

MOULDING bulk - sold per foot

23

6631024

RIVET

24

6630533

SPRING

25

6567719

CHANNEL

26

6567718

COVER

27

57D5

NUT

28

6567895

STRIP rubber

29

6560690

STRIP foam

30

6562211

BLOWER SHROUD

31

6568983

HOSE

32

6577048

BLOWER WHEEL W/Ring Gear - Was 6569025 - A

32

6513662

RING GEAR

33

6599451

U-JOINT See Illustration UNIVERSAL JOINT/ B8970

34

17C624

BOLT 5

35

6665036

BOLT Was 6631605 - A

36

6631606

WASHER

37

6598508

RIVET

38

83D6

NUT 5

39

6568982

HOSE

40

85D6

NUT, 5

41

25E18

WASHER

42

6565333

BOLT

43

6563592

BUSHING

44

6598955

LATCH

45

84G3724

BOLT Was 84G003720B - B

46

6630156

CAP

47

6567510

BAND

48

6567511

WASHER

49

6567894

STRIP rubber

50

6512686

MOULDING Bulk - Sold Per Foot

Выбрано товаров: 51