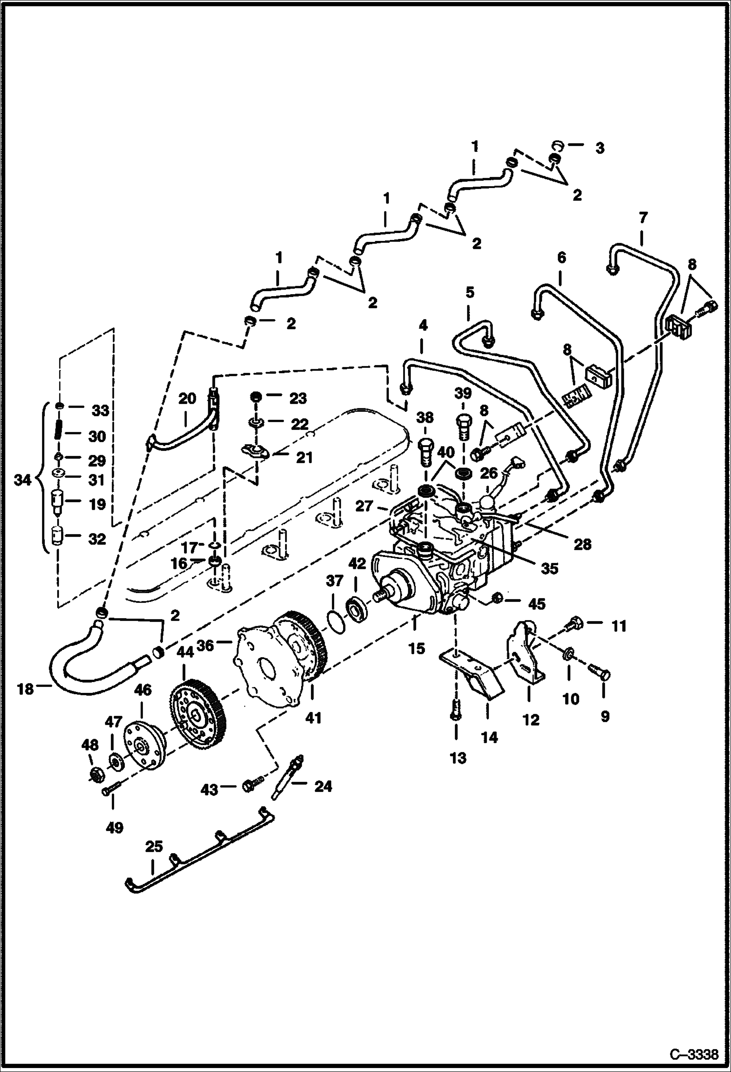
Запчасти Bobcat Feller Buncher FUEL INJECTION SYSTEM POWER UNIT

Схема запчастей Bobcat Feller Buncher - FUEL INJECTION SYSTEM POWER UNIT
FIT
1:1
100%

Артикул

Название

Примечание

Количество

1

6631822

HOSE

2

6631849

CLAMP

3

6658203

CAP Was 6631797 - A

4

6662892

PIPE injection No. 1 - Was 6631787 - A

5

6631798

PIPE injection No. 2

6

6631799

PIPE injection No. 3

7

6631788

PIPE injection No. 4

8

3674076

CLIP

9

3676976

BOLT

10

3674002

WASHER

11

6661091

BOLT Was 3676970B - A

12

6631790

BRACKET

13

6631881

BOLT

14

6631791

BRACKET

15

6631876

PUMP See BTI243 injection

16

6631775

SEAL

17

6655312

O-RING Was 6631889 - A

18

6631826

HOSE

19

6631857

NOZZLE

20

6631845

HOLDER nozzle

21

6631813

BRACKET

22

6631863

WASHER

23

6631888

NUT

24

6631808

GLOW PLUG

25

6631789

CONNECTOR glow plug

26

6630546

SOLENOID fuel shut-off - Was 6632196 - A

27

6646744

LINE

28

6646745

LINE

29

6646746

SEAT

30

6646747

SPRING

31

6646748

SPACER

32

6646749

NUT retaining

33

SHIM

34

6646906

INJECTOR Ref. 19, 20, 29 & 30 - 33

35

6648012

LEVER

36

6650621

BRACKET

37

6650622

O-RING

38

6651849

BOLT

39

6651850

BOLT

40

6651851

GASKET

41

6658695

GEAR

42

6652518

SEAL

43

6673936

BOLT

43

6673937

BOLT

43

6661091

BOLT

44

6658695

GEAR

45

6673944

NUT

46

6669667

COUPLER

47

6673942

WASHER

48

6673943

NUT

49

6673936

BOLT

49

6673937

BOLT

49

6661091

BOLT

Выбрано товаров: 0