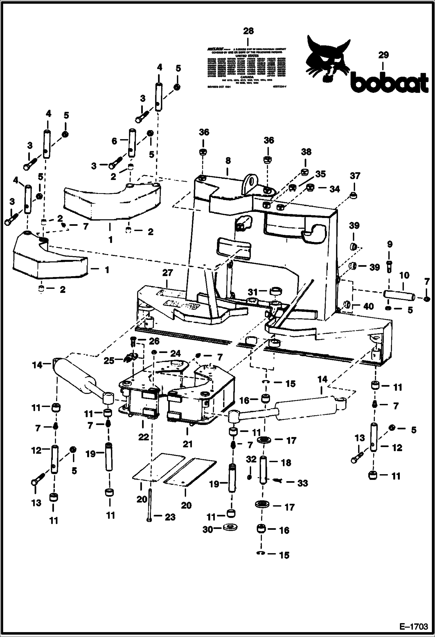
Запчасти Bobcat Feller Buncher SHEAR FRAME & ATTACHING PARTS ACCESSORIES & OPTIONS

Схема запчастей Bobcat Feller Buncher - SHEAR FRAME & ATTACHING PARTS ACCESSORIES & OPTIONS
FIT
1:1
100%

Артикул

Название

Примечание

Количество

1

6568067

GRAB ARM

2

6630591

BUSHING

3

17C640

BOLT 5

4

6568040

PIN

5

85D6

NUT, 5

6

6568038

PIN

7

10H25

FITTING, GREASE 5

8

6568245

MAIN FRAME

9

17C652

BOLT

10

PIN NLA - Was 6577386 - A

11

6630590

BUSHING

12

6577343

PIN Was 6569156 - A

13

17C648

BOLT 5

14

6593095

CYLINDER See Illustration SHEAR CYLINDER/ B8990

15

661312

RETAINER

16

6630589

BUSHING

17

6568021

WASHER

18

6567982

PIN Use with Snap Ring

18

6577341

PIN See BTI240

19

6577342

PIN Was 6569157 - A

20

6567908

BLADE

21

6567991

JAW

22

6567993

JAW

23

17C12136

BOLT

24

81D12

NUT

25

6569209

RETAINER

26

84G3712

BOLT 5

27

6540714

SAFETY TREAD

28

DECAL NLA - patent - Was 6557224 - C

29

DECAL NLA - Logo - Was 6714353 - A

30

6577363

WASHER Weld On

31

6577340

BUSHING See BTI240

32

85D8

NUT, 5 See BTI240

33

17C864

BOLT See BTI240

34

6558991

BUSHING

35

6558779

BUSHING

36

6558992

BUSHING

37

6555987

BUSHING

38

6555989

BUSHING

39

6568560

BUSHING Was 6558560 - B

40

6568414

BUSHING

Выбрано товаров: 41