Качественные детали и логистика
Оригинальные и аналоговые запчасти с доставкой по России, Казахстану и Беларуси
©2022 PartSell ООО "Система" ИНН 2463123282 ОГРН 1212400004838
Центральный офис: г. Красноярск, Академика Киренского, д.87, пом.4
Телефон: 8 (800) 777-65-74 Email: zakaz@partsell.ru
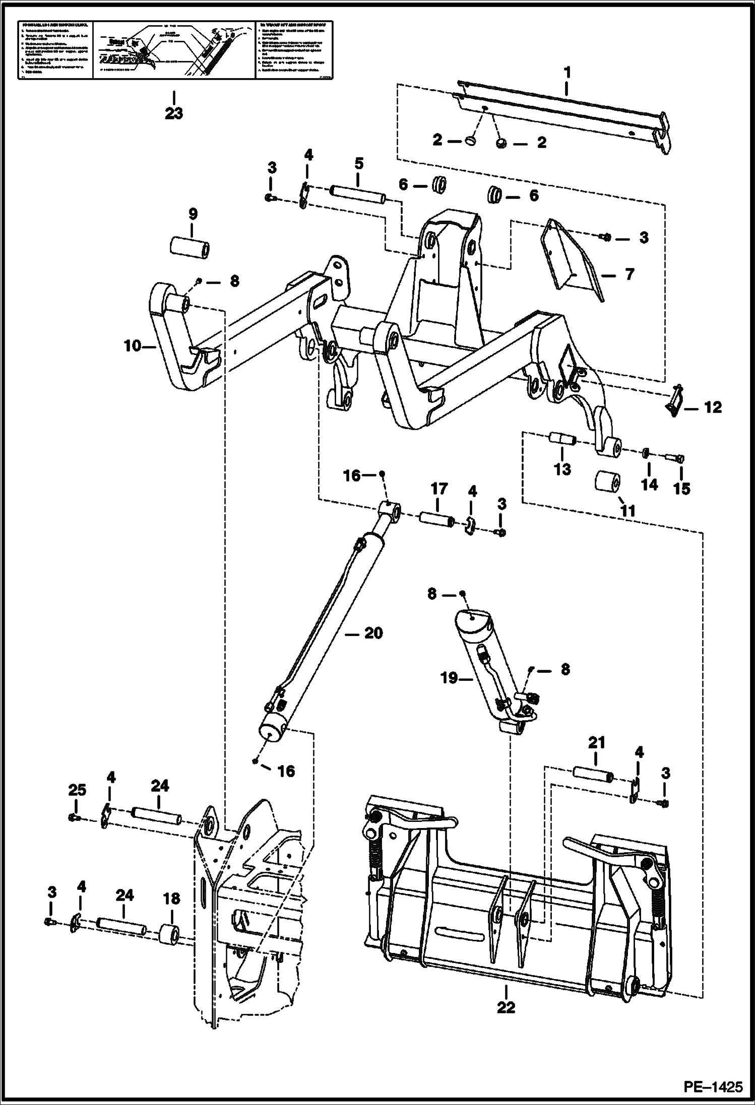
LIFT ARMS & BOB-TACH
№
Артикул
Название
Примечание
Количество
1
6730636
SUPPORT lift arm
2
6519178
BUMPER
3
84G3712
BOLT 5
4
6586307
RETAINER
5
6563846
PIN base end
6
6563830
BUSHING weld on
7
6730652
SHIELD
8
11H15
GREASE FITTING Was 10H000025B - B
9
6730662
BUSHING
10
6730642
LIFT ARM Also Order Decals & Safety Tread
11
6730700
12
6510020
LOCK PIN
13
6564198
PIN, PIVOT TAPERED
14
6701097
WASHER
15
33C824
BOLT
16
12H15
FITTING, GREASE 5
17
6563848
PIN rod end
18
SPACER NLA - Was 6730676 - A
19
CYLINDER See Illustration TILT CYLINDER/ PE1349 TILT
20
CYLINDER See Illustration LIFT CYLINDER/ PE1437 LIFT
21
6731749
22
BOB-TACH See Illustration BOB-TACH/ PE1026
23
6731330
DECAL
24
6730777
25
84G3710
SCREW
Выбрано товаров: 0