Качественные детали и логистика
Оригинальные и аналоговые запчасти с доставкой по России, Казахстану и Беларуси
©2022 PartSell ООО "Система" ИНН 2463123282 ОГРН 1212400004838
Центральный офис: г. Красноярск, Академика Киренского, д.87, пом.4
Телефон: 8 (800) 777-65-74 Email: zakaz@partsell.ru
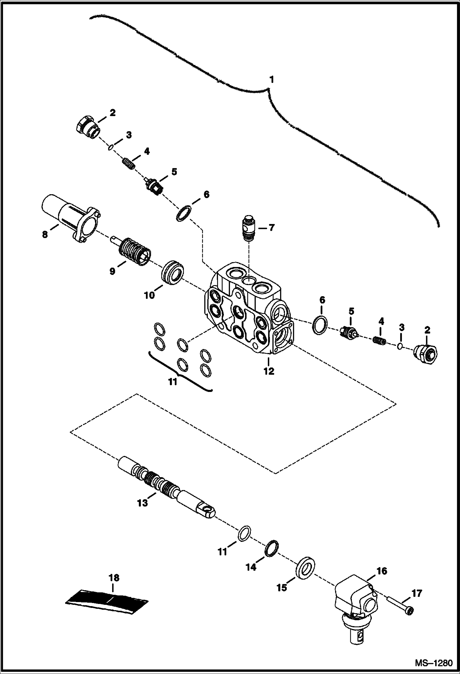
VALVE SECTION (Lift)
№
Артикул
Название
Примечание
Количество
1
6679727
VALVE section - lift - Ref. 2-18
2
PLUG NSS
3
SPACER NSS
4
SPRING NSS
5
RELIEF VALVE NSS
O-RING NSS
6
WASHER NSS
7
6679614
CHECK VALVE
8
END CAP NSS
9
SPRING ASSY NSS
10
6679632
SEAL
11
12
BODY NSS
13
SPOOL NSS
14
6679601
WASHER back-up
15
6679593
WASHER
16
6679724
LEVER ASSY W/Ref. 17 - Was 6679500 - A
6679495
RUBBER BOOT
17
6679501
SCREW
18
6679733
SEAL KIT section
6679735
SEAL KIT complete valve
6679730
KIT relief - Ref. 2-6
6679722
KIT positioner - Ref. 8-9
Выбрано товаров: 0