Качественные детали и логистика
Оригинальные и аналоговые запчасти с доставкой по России, Казахстану и Беларуси
©2022 PartSell ООО "Система" ИНН 2463123282 ОГРН 1212400004838
Центральный офис: г. Красноярск, Академика Киренского, д.87, пом.4
Телефон: 8 (800) 777-65-74 Email: zakaz@partsell.ru
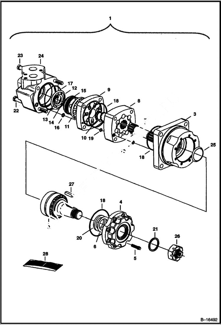
DRIVE MOTOR (110-1197-006)
№
Артикул
Название
Примечание
Количество
1
6680104
MOTOR W/Ref. 2-27
2
6669423
SHAFT ASSY
3
6680167
HOUSING
4
6669425
RETAINER Was 6680168 - A
5
6666938
BOLT
6
6666939
RING
7
6680169
SHAFT
8
6669427
GEROLER
9
6513505
PLATE
10
6513506
DRIVE valve
11
6513507
VALVE
12
6513530
SEAL outer
13
6666941
SEAL inner
14
6190121
SPRING
15
6630042
PLATE balancing
16
25K20010
O RING 10
17
6680170
O-RING
18
6666942
SEAL Was 6680171 - A
19
6667332
SEAL
20
6666943
SEAL shaft - Was 3390205 - A
21
6630796
22
6669428
23
6680172
24
6680173
25
6513529
SEAL face
26
6669430
NUT, SLOTTED
27
6680174
KEY
28
6666926
SEAL KIT Rear - Ref. 12, 13 & 16-19
6666928
KIT, SEAL Shaft - Ref. 6, 18, 20, 21 & 25
Выбрано товаров: 0