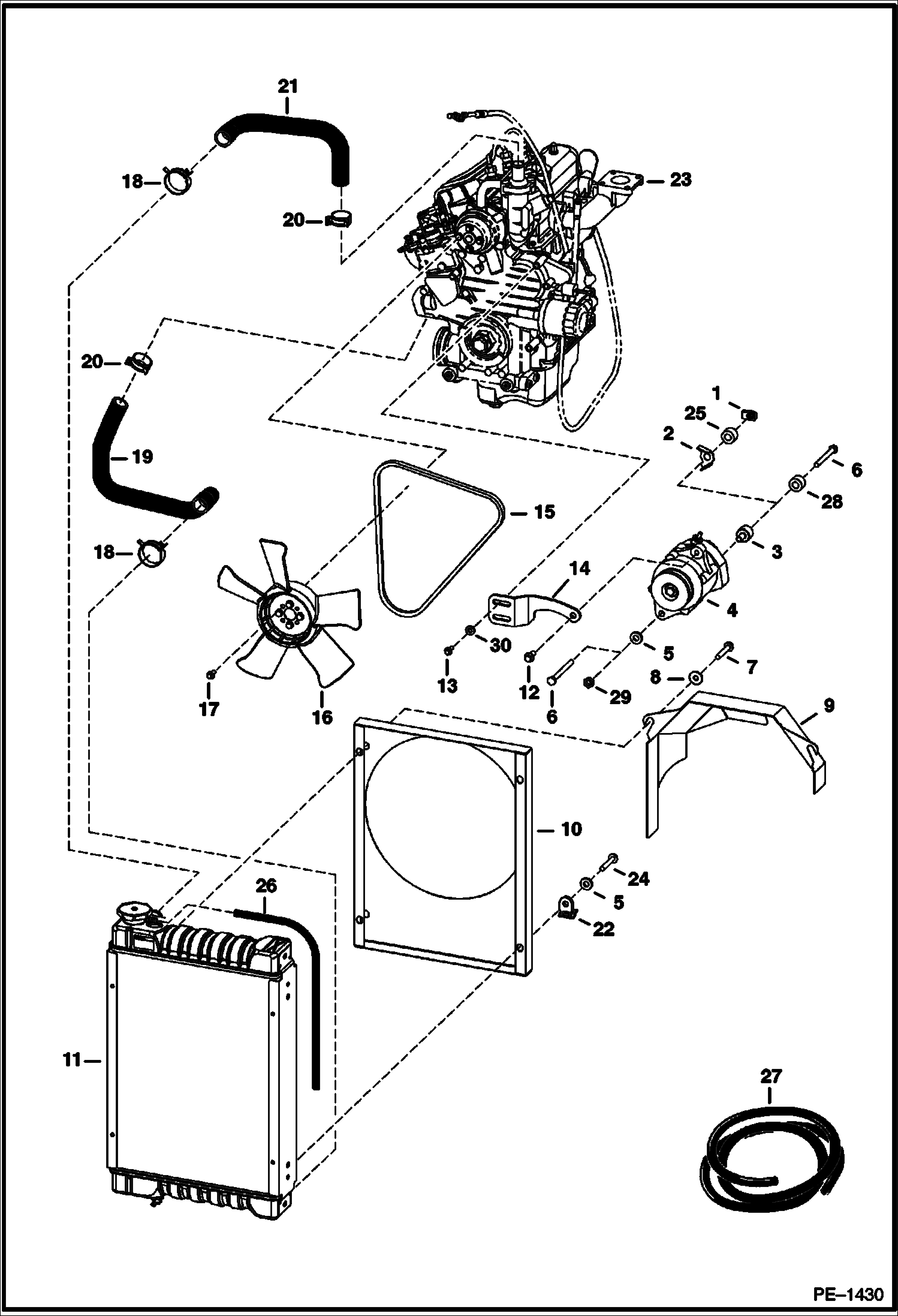
Запчасти Bobcat Mini Tracks Loaders ENGINE & ATTACHING PARTS (Cooling Group) POWER UNIT

Схема запчастей Bobcat Mini Tracks Loaders - ENGINE & ATTACHING PARTS (Cooling Group) POWER UNIT
FIT
1:1
100%

Артикул

Название

Примечание

Количество

1

6676169

NUT

2

6808118

RETAINER

3

6713749

SPACER alternator

4

ALTERNATOR, 40 AMP See Illustration ALTERNATOR/ C3456

5

6557831

WASHER

6

1CM890

BOLT

7

29CM850

SCREW

8

17EM80

WASHER

9

6730672

FAN SHIELD

10

6810701

SHIELD

11

6679061

RADIATOR

11

6646678

CAP

11

6513679

VALVE Was 6679506 - A

12

29CM820

SCREW

13

29CM616

BOLT

14

6730668

BRACKET alternator

15

6808629

BELT alternator

16

6678937

FAN

17

29CM612

BOLT, FLANGED Was 6652762 - A

18

5HM35

HOSECLAMP

19

6732996

HOSE lower - Was 6730664 - A

20

5HM30

CLAMP

21

6730666

HOSE upper

22

6679034

MOUNT harness

23

ENGINE See Illustration ENGINE & GASKET KITS/ B16486

24

1CM860

BOLT

25

6807444

SPACER

26

HOSE NLA - 30'' (762mm) long - Order Ref. 27

27

6577822

HOSE bulk - sold per foot

28

6732978

SPACER

29

53DM8

NUT

30

25E13

WASHER 5

Выбрано товаров: 32