Качественные детали и логистика
Оригинальные и аналоговые запчасти с доставкой по России, Казахстану и Беларуси
©2022 PartSell ООО "Система" ИНН 2463123282 ОГРН 1212400004838
Центральный офис: г. Красноярск, Академика Киренского, д.87, пом.4
Телефон: 8 (800) 777-65-74 Email: zakaz@partsell.ru
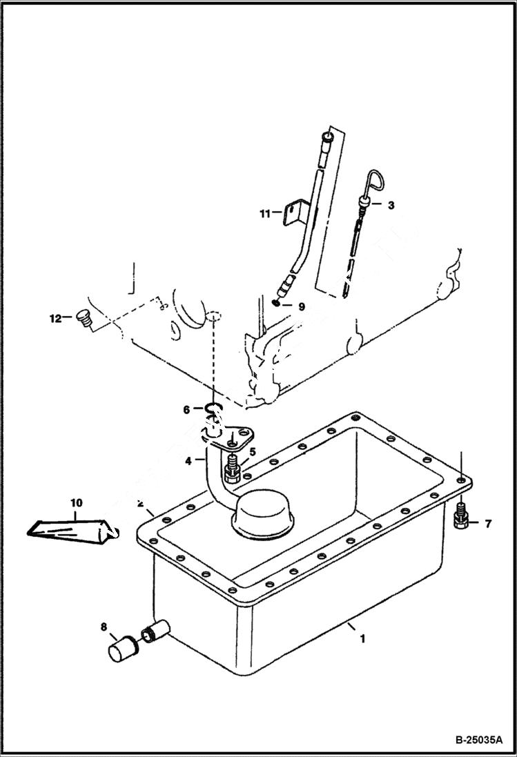
OIL PAN (Kubota - D722-E3B-BC-6)(Tier IV Replacement)
№
Артикул
Название
Примечание
Количество
1
6688056
OIL PAN
2
GASKET NLA - Use Ref. 10
3
6687710
DIPSTICK
4
6670348
SCREEN oil pickup
5
6667420
BOLT
6
6680284
O-RING
7
7000302
8
6687741
PLUG
9
6673314
10
6632823
GASKET liquid - Use between Ref. 1 & block
11
6687684
GUIDE dipstick - W/Ref. 9
12
6969804
PLUG,OIL GAUGE
Выбрано товаров: 0