Запчасти Bobcat Mini Tracks Loaders FUEL & INJECTION PUMP (Kubota - D722-E3B-BC-6)(Tier IV) Replacement REPLACEMENT ENGINE

Схема запчастей Bobcat Mini Tracks Loaders - FUEL & INJECTION PUMP (Kubota - D722-E3B-BC-6)(Tier IV) Replacement REPLACEMENT ENGINE
FIT
1:1
100%

Артикул

Название

Примечание

Количество

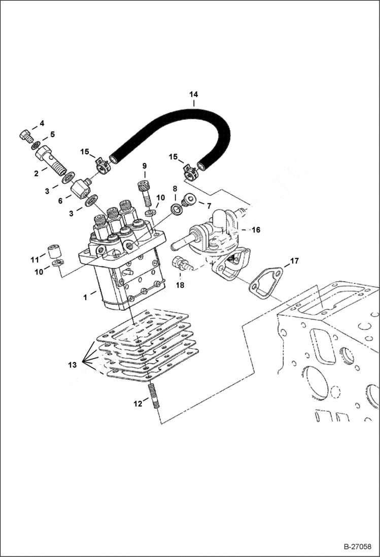
1

6670432

PUMP, FUEL INJ W/Ref. 2-8

1

6670432REM

PUMP, FUEL INJ. KUBOTA D722 W/Ref. 2-8

2

6670444

SCREW

3

6657466

GASKET

4

6657445

SCREW

5

6657467

GASKET

6

6670436

FITTING

7

6672396

PLUG

8

6670446

WASHER

9

6657417

BOLT

10

6667419

WASHER

11

6657461

NUT

12

6657458

STUD

13

6698160

SHIM, INJECTION PUMP 0,175 mm

13

6670433

SHIM 0,20 mm

13

6672391

SHIM 0,25mm

13

6670777

SHIM 0,30 mm

13

6698147

SHIM, INJECTION PUMP 0,35 mm

14

6598694

HOSE W/Ref. 15

15

6680274

CLAMP

16

6687727

PUMP mechanical fuel

17

6670782

GASKET

18

1CM616

SCREW Was 4CM616 - A

Выбрано товаров: 23