Запчасти Bobcat Mini Tracks Loaders HYDRAULIC CIRCUITRY HYDRAULIC SYSTEM

Схема запчастей Bobcat Mini Tracks Loaders - HYDRAULIC CIRCUITRY HYDRAULIC SYSTEM
FIT
1:1
100%

Артикул

Название

Примечание

Количество

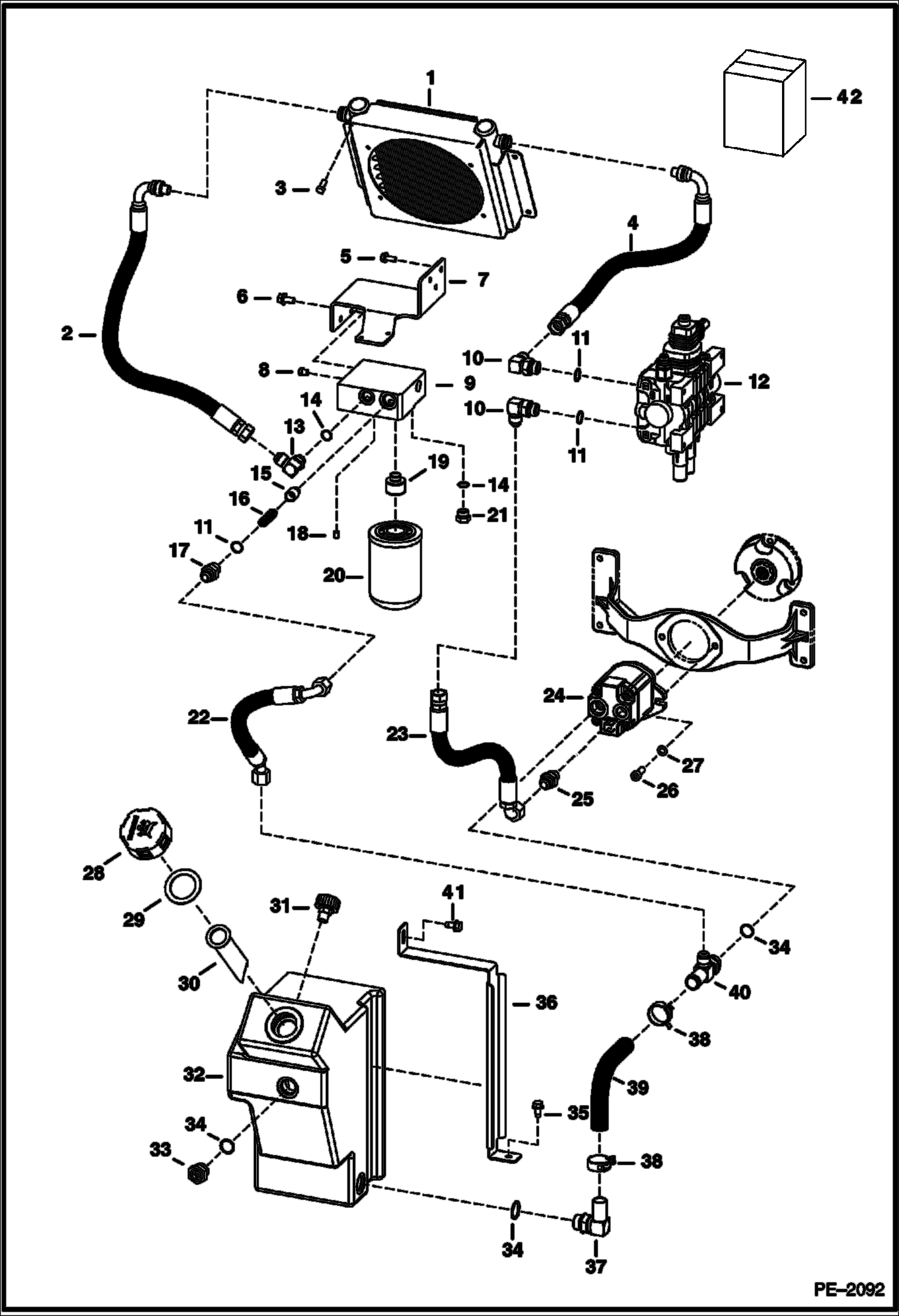
1

6735076

OIL COOLER

2

6735741

HOSE

2

6674798

REPAIR KIT includes - internal retaining ring (1) o-ring (1) & back-up ring (1)

3

43C512

BOLT

4

6735736

HOSE

4

6674798

REPAIR KIT includes - internal retaining ring (1) o-ring (1) & back-up ring (1)

5

84G3112

BOLT 5

6

35C612

BOLT

7

6735739

BRACKET filter block

8

40K2

PLUG

9

6734226

FILTER BLOCK

10

17KB1010

FITTING, HYD ELBOW W/Ref. 11

11

79K10

O RING 10

12

6693857

VALVE, CONTROL See Illustration WORK VALVE/ MS2763 - Was 6686260 - B,D

13

17KB1008

FITTING, HYD ELBOW W/Ref. 14

14

79K8

O RING 10

15

6734350

POPPET

16

6563978

SPRING

17

6562656

ADAPTER W/Ref. 11

18

6563920

FILTER filter

19

6563977

INSERT port block

20

6677652

FILTER, OIL HYD

21

24K6

FITTING W/Ref. 14

22

6734998

HOSE

23

6735737

HOSE 26.5'' (673,1 mm) long

24

PUMP See Illustration GEAR PUMP/ B24949

25

15KB0812

FITTING, HYD CONNECTOR W/Ref. 34

26

6805750

SCREW

27

15EM100

WASHER

28

6728149

CAP , HYD NON VENTED hydraulic

29

6700631

GASKET

30

7120881

SCREEN, FILLER Was 6569219 - A

31

7025626

VENT, BREATHER - Was 6684923 - A

32

6735750

TANK hydraulic

33

6665915

GAUGE W/Ref. 34

34

79K12

O RING 10

35

84G3712

BOLT 5

36

6734997

STRAP tank

37

6567884

ELBOW W/Ref. 34

38

5HM35

HOSECLAMP

39

6735760

HOSE

40

6734996

CROSS W/Ref. 34

41

84G3736

BOLT

42

6674798

REPAIR KIT For Ref. 1 - contains internal retaining ring (1), back-up ring (1) & O-ring (1)

Выбрано товаров: 0