Запчасти Bobcat Mini Tracks Loaders LIFT ARMS & BOB-TACH MAIN FRAME

Схема запчастей Bobcat Mini Tracks Loaders - LIFT ARMS & BOB-TACH MAIN FRAME
FIT
1:1
100%

Артикул

Название

Примечание

Количество

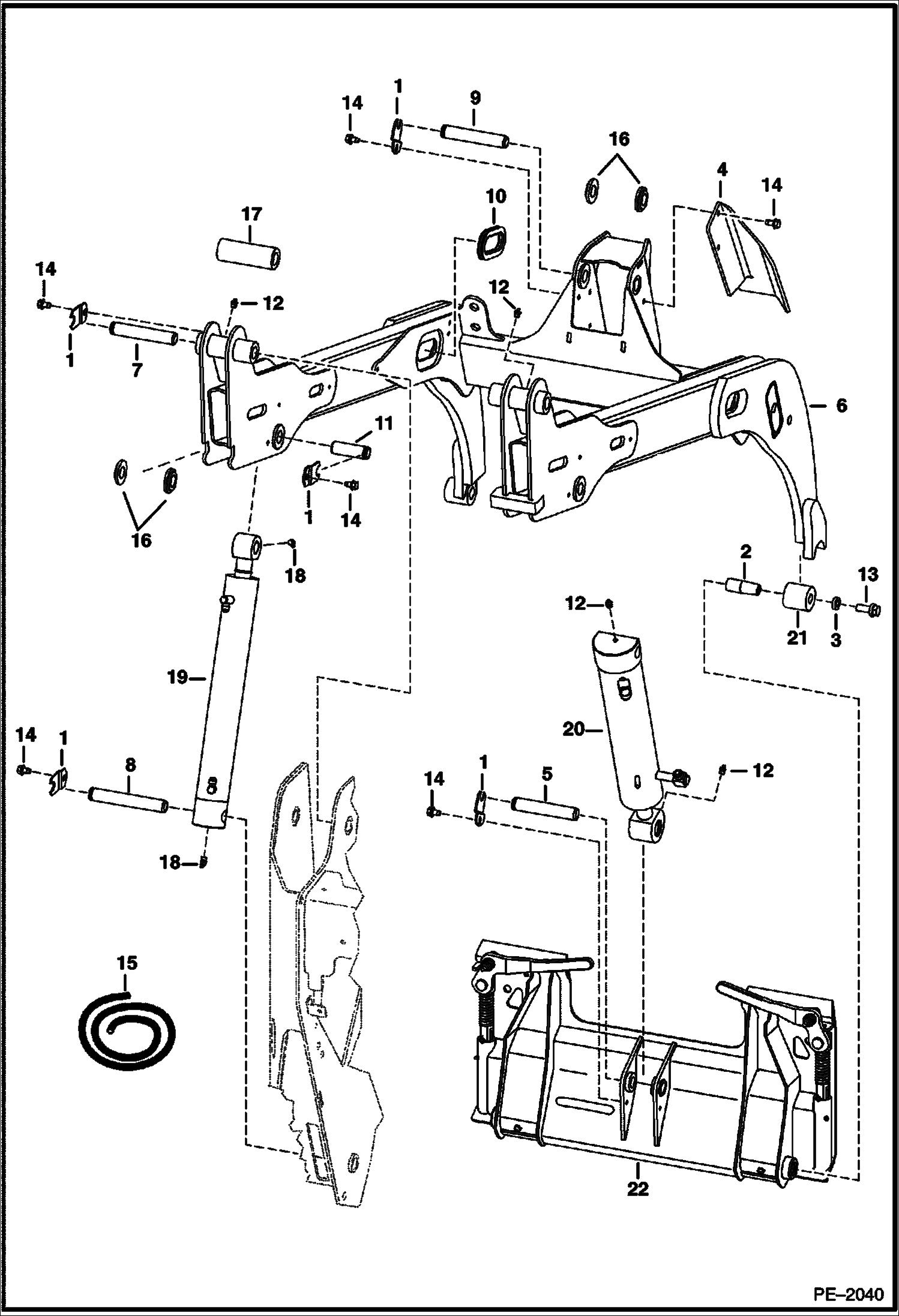
1

6586307

RETAINER

2

6564198

PIN, PIVOT TAPERED

3

6701097

WASHER

4

6730652

SHIELD

5

6731749

PIN rod end

6

7124833

LIFT ARM Also Order decals & safety tread - Was 6734942 - A

7

6734944

PIN

8

6734947

PIN base end

9

6734948

PIN base end

10

MOLDING NLA - 9.75'' (247,65 mm) long - Order Ref. 15 - Was 6734968 - A

11

6734969

PIN rod end

12

10H25

FITTING, GREASE 5

13

33C824

BOLT

14

84G3710

SCREW

14

84G3712

BOLT 5

15

6659603

MOLDING bulk - sold per foot

16

6563829

BUSHING weld on

17

6734940

BUSHING weld on

18

11H15

GREASE FITTING

19

CYLINDER See Illustration LIFT CYLINDER/ PE2044 LIFT

20

CYLINDER See Illustration TILT CYLINDER/ PE1349 TILT

21

6730700

BUSHING weld on

22

BOB-TACH See Illustration BOB-TACH/ PE2043

Выбрано товаров: 23