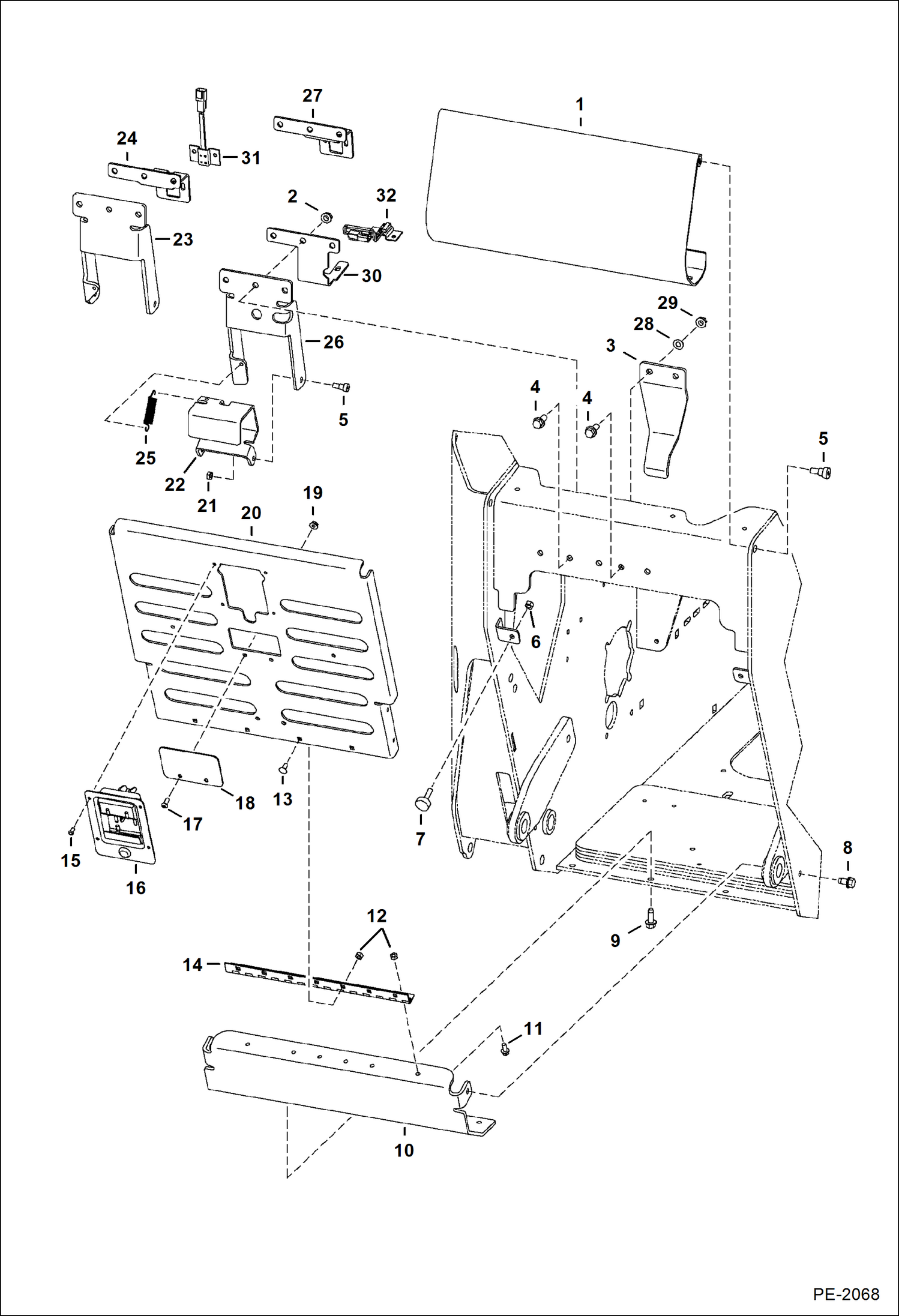
Запчасти Bobcat Mini Tracks Loaders REAR DOOR MAIN FRAME

Схема запчастей Bobcat Mini Tracks Loaders - REAR DOOR MAIN FRAME
FIT
1:1
100%

Артикул

Название

Примечание

Количество

1

6735960

PANEL ASSY stop

2

57D6

NUT 5

3

6736446

PLATE catch

4

31C620

BOLT

5

38C808

BOLT Was 38C000806B - B

6

61D5

NUT

7

6655399

BUMPER

8

84G3712

BOLT 5

9

84G3716

SCREW 5

10

6735903

PANEL

11

35C412

BOLT Was 35C410 (6) - B

12

59D4

NUT 5 Was 95D000004B (10) - B

13

10C412

BOLT Was 10C000410B - B

14

6737527

HINGE

15

6685973

RIVET POP Was 6732671 - B

16

6685226

LATCH

17

25G410

CAPSCREW

18

6737654

COVER light

19

59D4

NUT 5 Was 83D4 - B

20

6736447

REAR DOOR

21

85D5

NUT 5

22

6737327

BRACKET reverse stop

23

MOUNT NLA - reverse stop - Order Ref. 26 - Was 6737339 - A

24

BRACKET NLA - neutral mount - Order Ref. 30 - Also replace Ref. 31 W/Ref. 32 - Was 6737429 - A

25

6563128

SPRING

26

7113185

MOUNT reverse stop

27

BRACKET NLA - neutral mount - Order Ref. 30 - Also replace Ref. 31 W/Ref. 32 - Was 7124959 - A

28

25E17

WASHER 5

29

59D6

NUT

30

7133131

BRACKET

31

SENSOR See Illustration ENGINE ELECTRICAL CIRCUITRY/ PE2085 NLA - neutral start - Order Ref. 32 - Also replace Ref. 24 W/Ref. 30 - Was 6737671 - A

32

7124958

SENSOR See Illustration ENGINE ELECTRICAL CIRCUITRY/ PE2433 neutral start

Выбрано товаров: 32