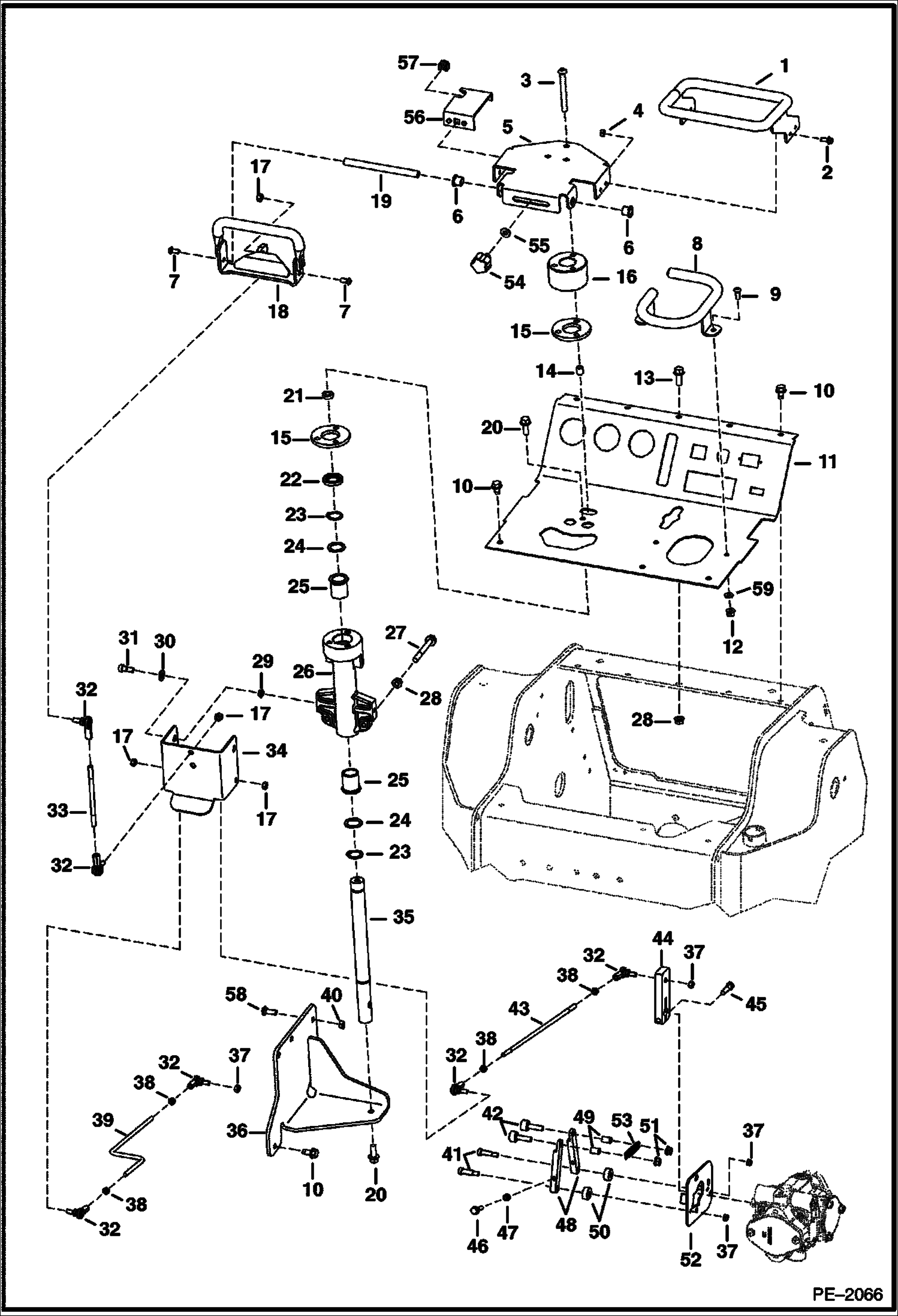
Запчасти Bobcat Mini Tracks Loaders STEERING CONTROLS (S/N 523611001 & Above, 523711001 & Above, 528711001-528712698, 528811001-528811148) HYDROSTATIC SYSTEM

Схема запчастей Bobcat Mini Tracks Loaders - STEERING CONTROLS (S/N 523611001 & Above, 523711001 & Above, 528711001-528712698, 528811001-528811148) HYDROSTATIC SYSTEM
FIT
1:1
100%

Артикул

Название

Примечание

Количество

1

6737168

BRACKET loop

2

35C412

BOLT Was 35C410 - B

3

25G656

SCREW

4

95D4

NUT

5

7101910

PANEL STEERING See BTI382 - steering

6

6685605

BEARING

7

25G516

SCREW Was 25G000510B - B

8

6736132

BRACKET loop

9

25G512

SCREW

10

84G3712

BOLT 5

11

6734956

PANEL instrument

12

59D5

NUT 5 Was 83D5 - B

13

35C520

BOLT

14

6593013

SPACER

15

6737529

SPACER

16

6737530

SPACER

17

82D5

NUT 5

18

7101243

HANDLE ASMBLY

19

7101254

TUBE PIVOT

20

35C612

BOLT Was 45C000616B - B

21

6734043

SPACER

22

6679135

SEAL shaft

23

22J16

SNAP RING

24

6505046

WASHER

25

6690474

BUSHING Was 6732271 - B

26

6736880

MOUNT steering

27

7108409

BOLT Was 6737375 - A

28

57D6

NUT 5

29

6684925

BUSHING

30

25E17

WASHER 5

31

38C606

BOLT

32

6684451

ROD END

33

6737159

ROD linkage

34

6736881

BRACKET steering

35

6736890

SHAFT pivot

36

6737531

BRACKET

37

59D5

NUT 5 Was 85D5 - B

38

8D5

NUT

39

6737362

ROD control

40

59D5

NUT 5 Was 61D5 - B

41

38C616

SCREW

42

6737692

BEARING roller

43

6736105

ROD control

44

6735717

ARM pintle

45

18C624

BOLT

46

7108664

BOLT Was 6736992 - A

47

59D5

NUT 5

48

6737694

ARM centering

49

6737693

SPACER

50

6735720

BUSHING

51

98D6

NUT Was 58D000006B - B

52

6735943

PLATE ASSY controls

53

6736878

SPRING

54

6685604

HANDLE KNOB See BTI382

55

25E14

WSHR

56

7104427

BRACKET CONTROL See BTI382 - control - Was 7101955 - A

57

6678765

NUT

58

37C516

BOLT

59

25E15

WASHER

Выбрано товаров: 59