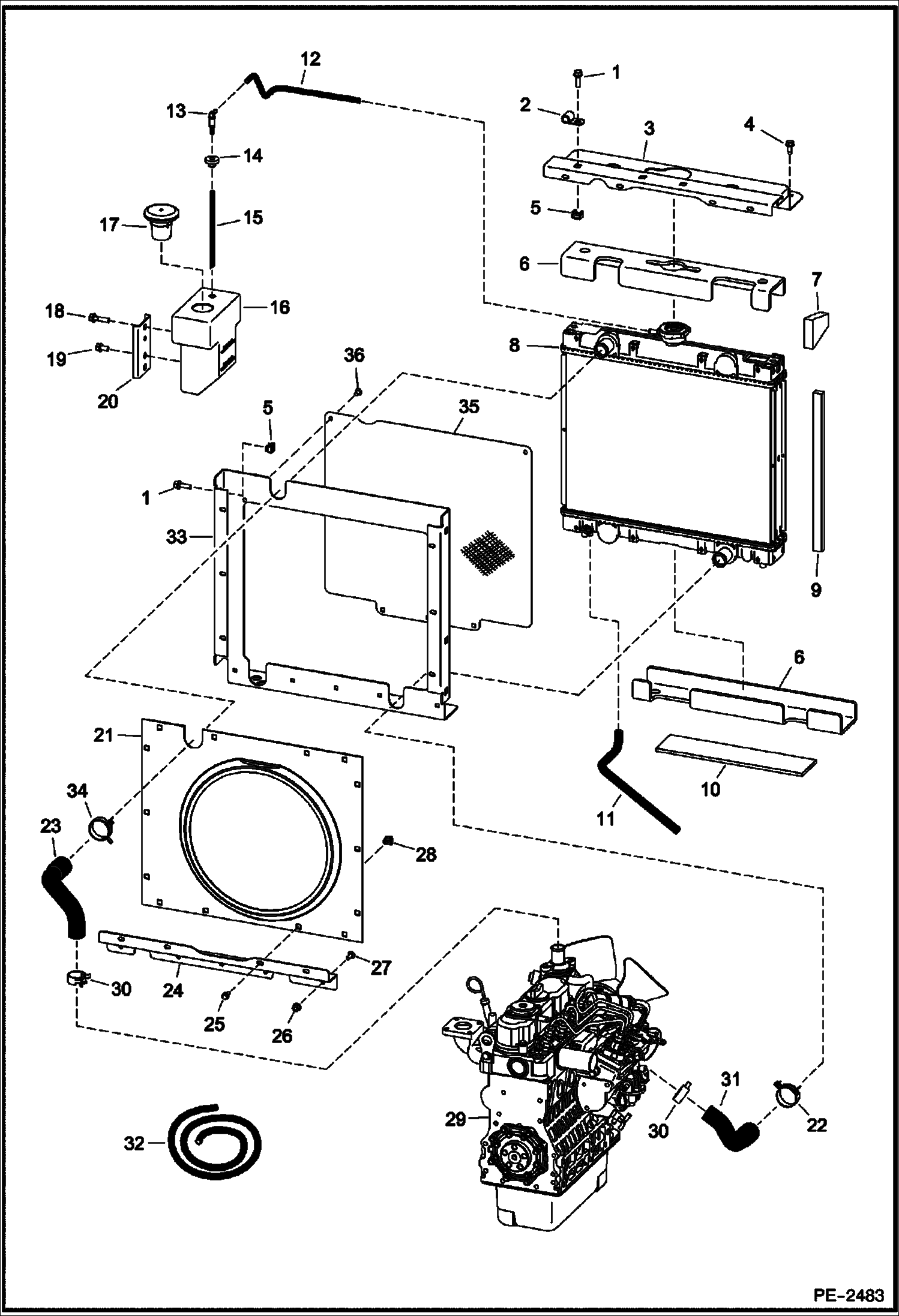
Запчасти Bobcat Mini Tracks Loaders ENGINE & ATTACHING PARTS (Cooling Group) (S/N 528711001 & Above, 528811001 & Above) POWER UNIT

Схема запчастей Bobcat Mini Tracks Loaders - ENGINE & ATTACHING PARTS (Cooling Group) (S/N 528711001 & Above, 528811001 & Above) POWER UNIT
FIT
1:1
100%

Артикул

Название

Примечание

Количество

1

35C516

BOLT 10

2

30H32

CLIP

3

6735069

SHIELD cooler

4

84G3112

BOLT 5

5

6678765

NUT retaining

6

6735843

FOAM cooler

7

7101479

SEAL

8

6682991

RADIATOR

8

6646678

CAP

9

6736585

SEAL foam cooler

10

6735068

GASKET cooler mount

11

7101725

HOSE coolant drain

12

HOSE NLA - 14'' (355,6 mm) long - Order Ref. 32

13

6681462

ELBOW

14

6553411

BUSHING

15

6736598

TUBE

16

6736093

TANK coolant recovery

17

6702797

CAP coolant tank

18

35C520

BOLT

19

35C510

BOLT

20

6736194

MOUNT coolant recovery

21

6736961

PANEL FAN SHROUD fan shroud

22

5HM38

CLAMP, HOSE

23

7108113

HOSE upper

24

6736100

MOUNT cooler

25

35C410

BOLT 5

26

83D4

NUT 10

27

10C412

BOLT

28

6678766

NUT retaining

29

ENGINE See Illustration ENGINE & GASKET KITS/ B16486A

30

5HM30

CLAMP

31

6735062

HOSE lower

32

6569752

HOSE BULK/FT bulk - sold per foot

33

7115461

MOUNT cooler - Was 6735065

34

5HM35

HOSECLAMP

35

7110295

SCREEN

36

6669065

RIVET POP

Выбрано товаров: 37