Качественные детали и логистика
Оригинальные и аналоговые запчасти с доставкой по России, Казахстану и Беларуси
©2022 PartSell ООО "Система" ИНН 2463123282 ОГРН 1212400004838
Центральный офис: г. Красноярск, Академика Киренского, д.87, пом.4
Телефон: 8 (800) 777-65-74 Email: zakaz@partsell.ru
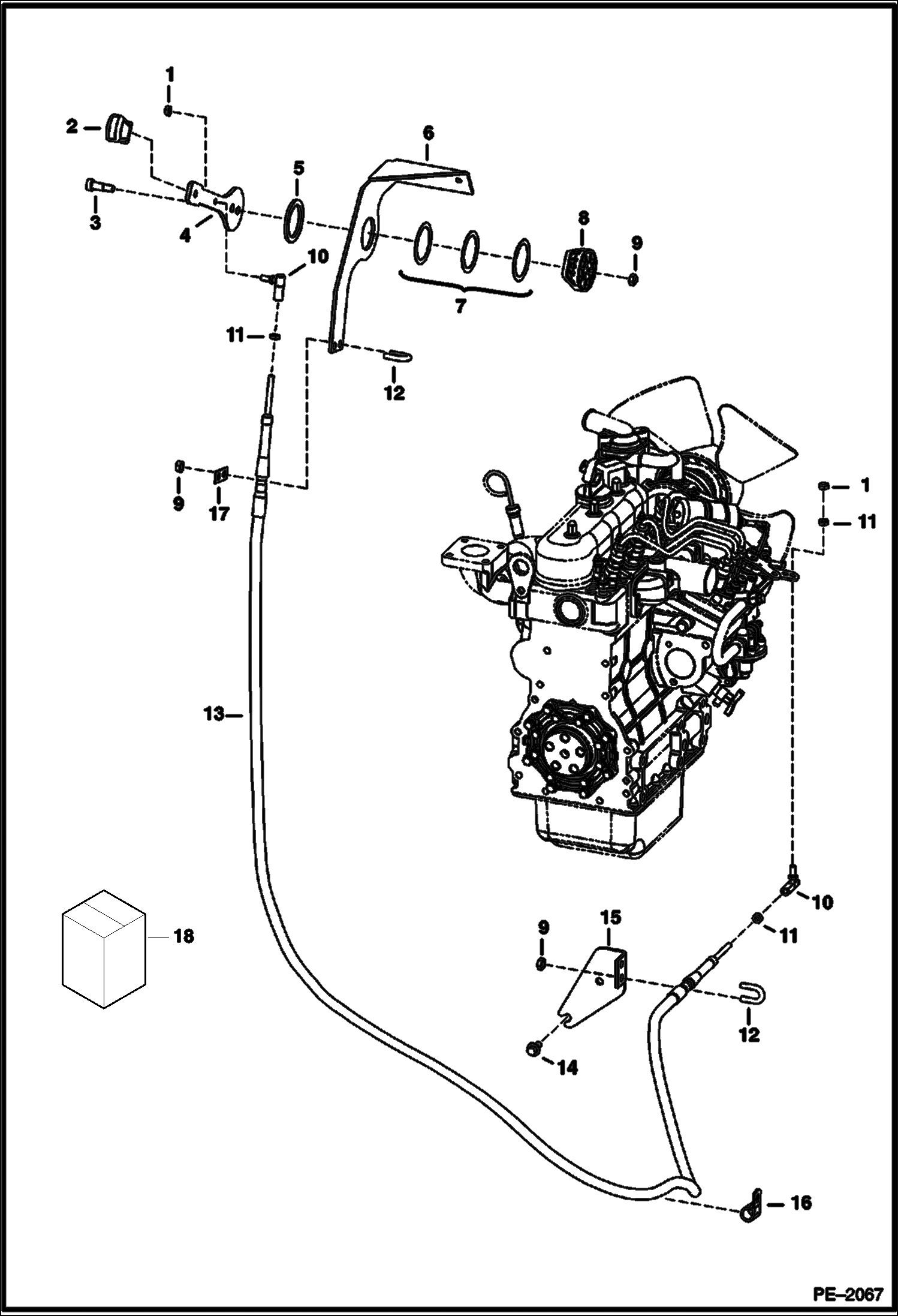
THROTTLE
№
Артикул
Название
Примечание
Количество
1
86D4
NUT
2
6564452
GRIP
3
38C610
BOLT
4
6736224
LEVER throttle
5
6567962
WASHER
6
6736227
BRACKET throttle
7
6630945
WASHER wave spring
8
LEVER NLA - 2-hole rod attachment - Order 6734416 lever - Was 6709022 - A
6734416
LEVER 3-hole rod attachment
9
85D5
NUT 5
10
6554858
BALL JOINT
11
8D4
12
6592766
U-BOLT
13
6709959
CABLE, THROTTLE throttle
14
29CM820
SCREW Was 29CM00816B - B
15
6736541
16
30H35
CLAMP 10
17
6713920
SHIM cable
Выбрано товаров: 0