Качественные детали и логистика
Оригинальные и аналоговые запчасти с доставкой по России, Казахстану и Беларуси
©2022 PartSell ООО "Система" ИНН 2463123282 ОГРН 1212400004838
Центральный офис: г. Красноярск, Академика Киренского, д.87, пом.4
Телефон: 8 (800) 777-65-74 Email: zakaz@partsell.ru
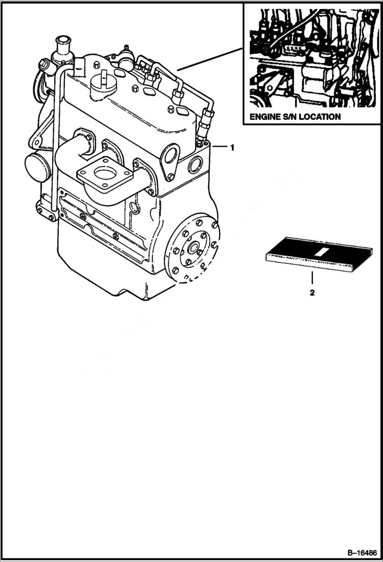
ENGINE & GASKET KITS (Kubota D722-EB-BC-4) (Tier I) (S/N 523611001 & Above, 523711001 & Above)
№
Артикул
Название
Примечание
Количество
1
ENGINE 722EB4 See BTI375 NLA - Was 6683176 - A
2
6672739
UPPER GASKET KIT See Illustration UPPER GASKET KIT/ B16471 UPPER
6672740
LOWER GASKET KIT See Illustration LOWER GASKET KIT/ B16470 LOWER
Выбрано товаров: 0