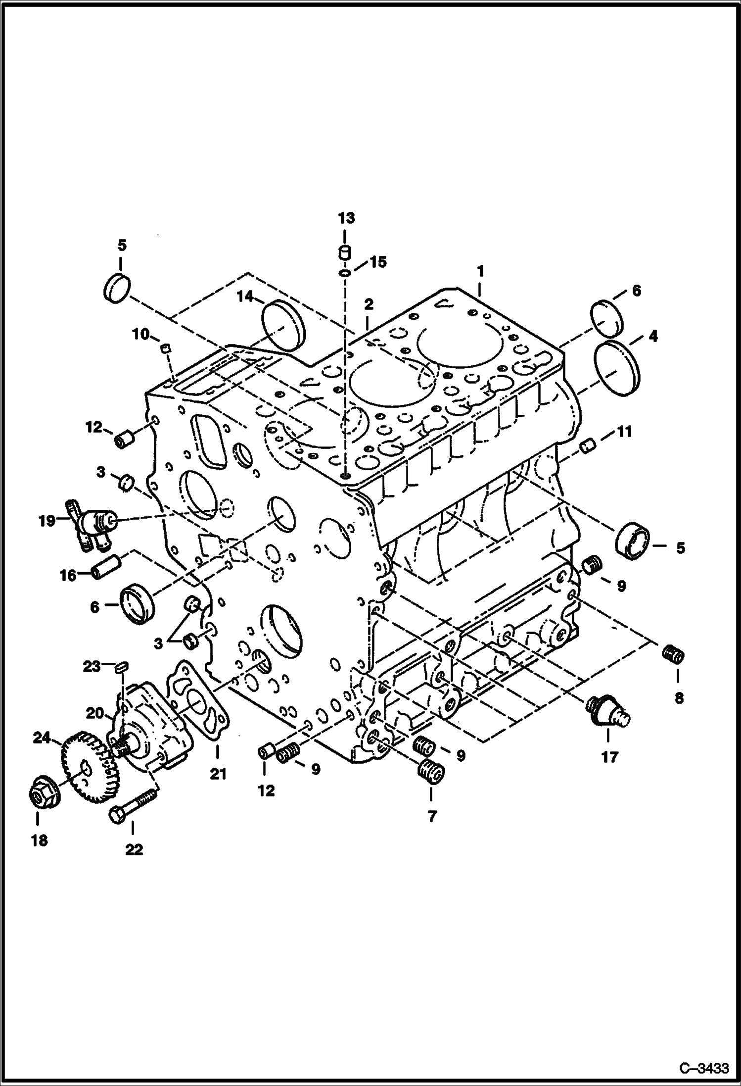
Запчасти Bobcat Mini Tracks Loaders CRANKCASE (Kubota D722-EB-BC-4) (Tier I) (S/N 5236 11001 & Above, 5237 11001 & Above) POWER UNIT

Схема запчастей Bobcat Mini Tracks Loaders - CRANKCASE (Kubota D722-EB-BC-4) (Tier I) (S/N 5236 11001 & Above, 5237 11001 & Above) POWER UNIT
FIT
1:1
100%

Артикул

Название

Примечание

Количество

1

6670336

CRANKCASE W/Ref. 2-13

2

6599985

LINER

3

6670337

PLUG

4

6652573

PLUG

5

6670338

PLUG

6

6657431

CAP

7

6652575

PLUG

8

6598116

PLUG Was 6652797 - A

9

6652574

PLUG

10

6657423

PIN

11

21JM814

PIN dowel

12

3974039

PIN

13

3974037

PIN

14

6670339

PLUG

15

3974038

O RING See Illustration ENGINE & GASKET KITS/ B16486 INCLUDED W/UPPER GASKET KIT

16

6670344

PIN

17

6631010

SWITCH, PRESS OIL ENG Oil Pressure

18

6670343

NUT

19

6657456

DRAINCOCK

20

6670340

OIL PUMP

21

6670341

GASKET See Illustration ENGINE & GASKET KITS/ B16486 INCLUDED W/LOWER GASKET KIT

22

6657458

STUD

23

15JM48

KEY

24

6670342

GEAR

Выбрано товаров: 24