Качественные детали и логистика
Оригинальные и аналоговые запчасти с доставкой по России, Казахстану и Беларуси
©2022 PartSell ООО "Система" ИНН 2463123282 ОГРН 1212400004838
Центральный офис: г. Красноярск, Академика Киренского, д.87, пом.4
Телефон: 8 (800) 777-65-74 Email: zakaz@partsell.ru
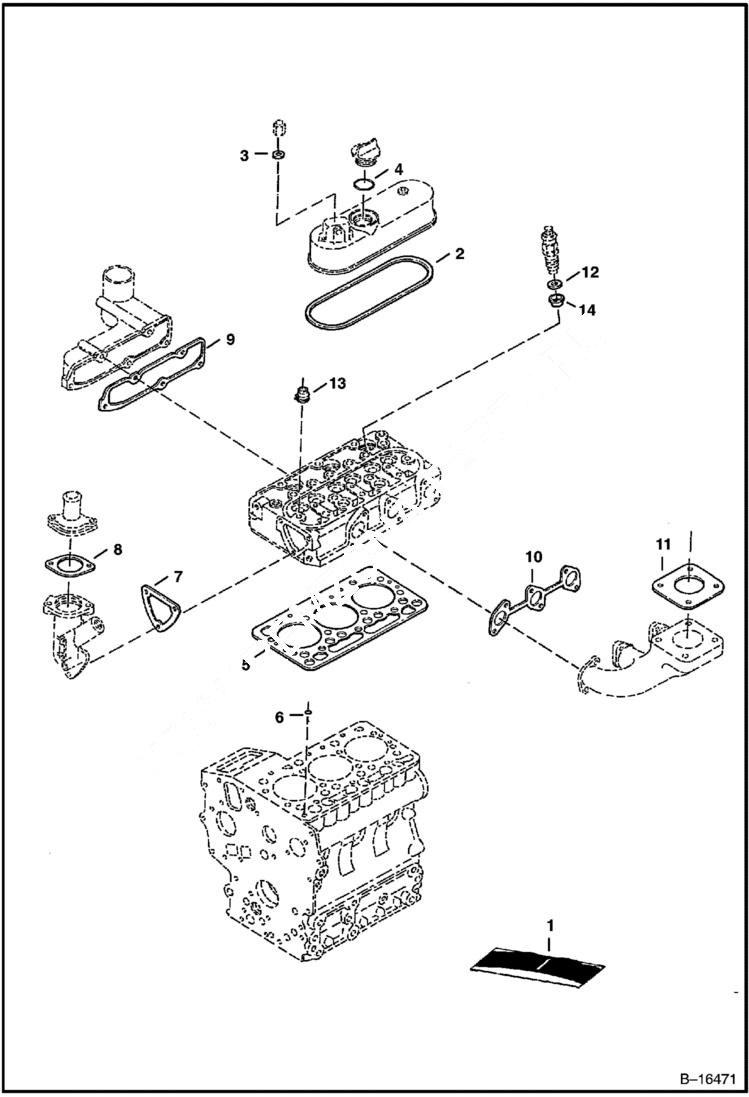
UPPER GASKET KIT (Kubota D722-EB-BC-4) (Tier I) (S/N 5236 11001 & Above, 5237 11001 & Above)
№
Артикул
Название
Примечание
Количество
1
6672739
UPPER GASKET KIT Upper - W/Refs. 2 - 14
2
6670372
GASKET valve cover
3
3974972
GASKET valve cover nut
4
6684782
O-RING oil fill plug - Was 3966602 - A
5
6670354
GASKET head
6
3974038
O RING block to head
7
6670500
GASKET thermostat housing
8
6681757
GASKET THERMOSTAT Was 6666813 - A
9
6670535
GASKET intake manifold
10
6670530
GASKET exhaust manifold
11
6575580
GASKET muffler
12
6655218
GASKET injector
13
6670517
SEAL valve stem
14
6655872
HEAT SEAL injector
Выбрано товаров: 0