Качественные детали и логистика
Оригинальные и аналоговые запчасти с доставкой по России, Казахстану и Беларуси
©2022 PartSell ООО "Система" ИНН 2463123282 ОГРН 1212400004838
Центральный офис: г. Красноярск, Академика Киренского, д.87, пом.4
Телефон: 8 (800) 777-65-74 Email: zakaz@partsell.ru
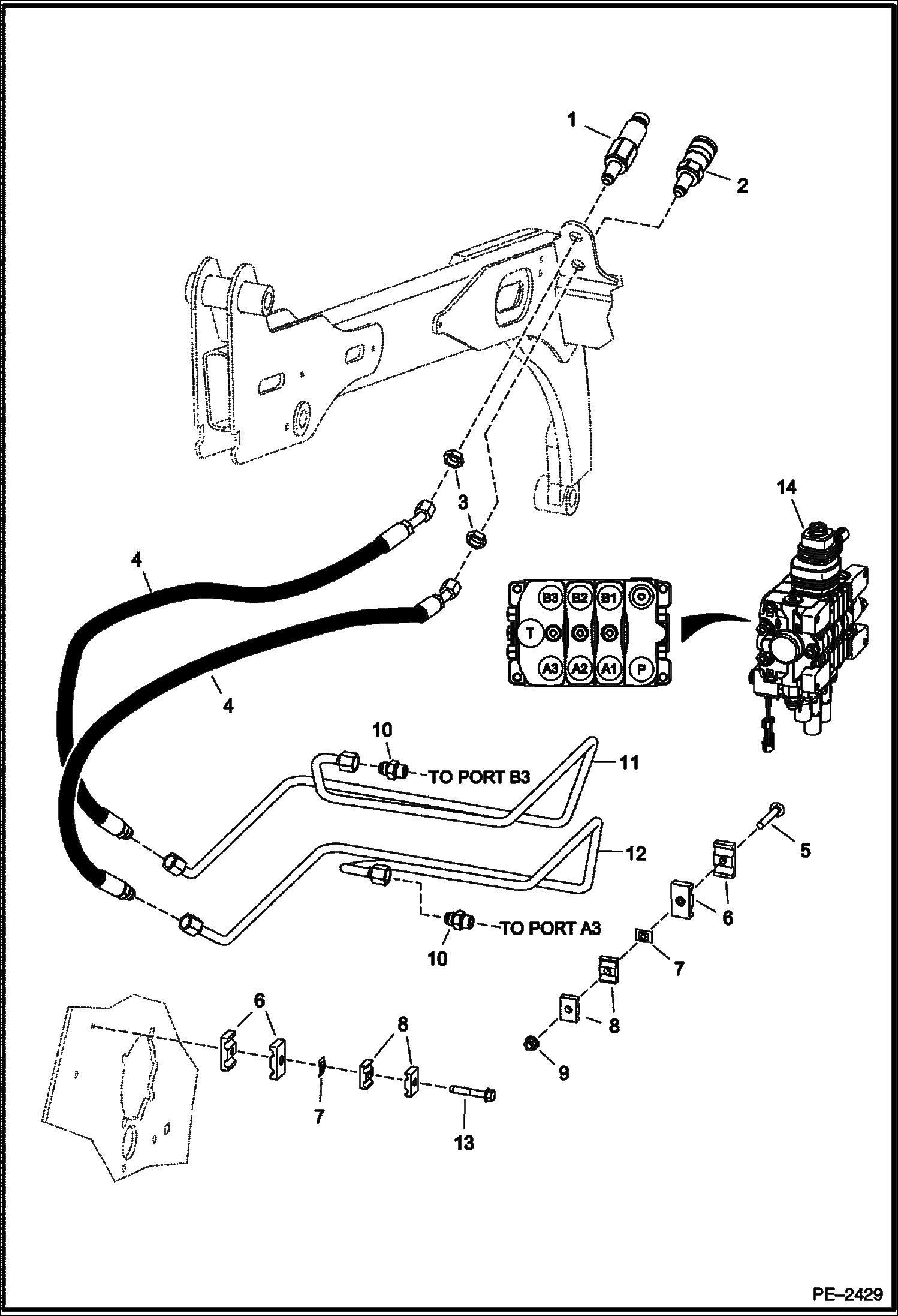
AUXILIARY HYDRAULICS
№
Артикул
Название
Примечание
Количество
1
6676560
COUPLER, FF MALE 1/2''
2
6676559
COUPLER, FF FEMALE 1/2''
3
86F6
NUT
4
7139678
HOSE 67.5'' (1714,5 mm) long
5
7107210
BOLT
6
6701892
CLAMP
7
6684033
8
6726277
9
83D6
NUT 5
10
15KB0808
FITTING, HYD CONNECTOR
79K8
O RING 10
11
6736588
TUBELINE
12
6736587
13
84G3736
14
MAIN VALVE See Illustration WORK VALVE/ MS2763
Выбрано товаров: 0