Запчасти Bobcat Mini Tracks Loaders DRIVE MOTOR HYDROSTATIC SYSTEM

Схема запчастей Bobcat Mini Tracks Loaders - DRIVE MOTOR HYDROSTATIC SYSTEM
FIT
1:1
100%

Артикул

Название

Примечание

Количество

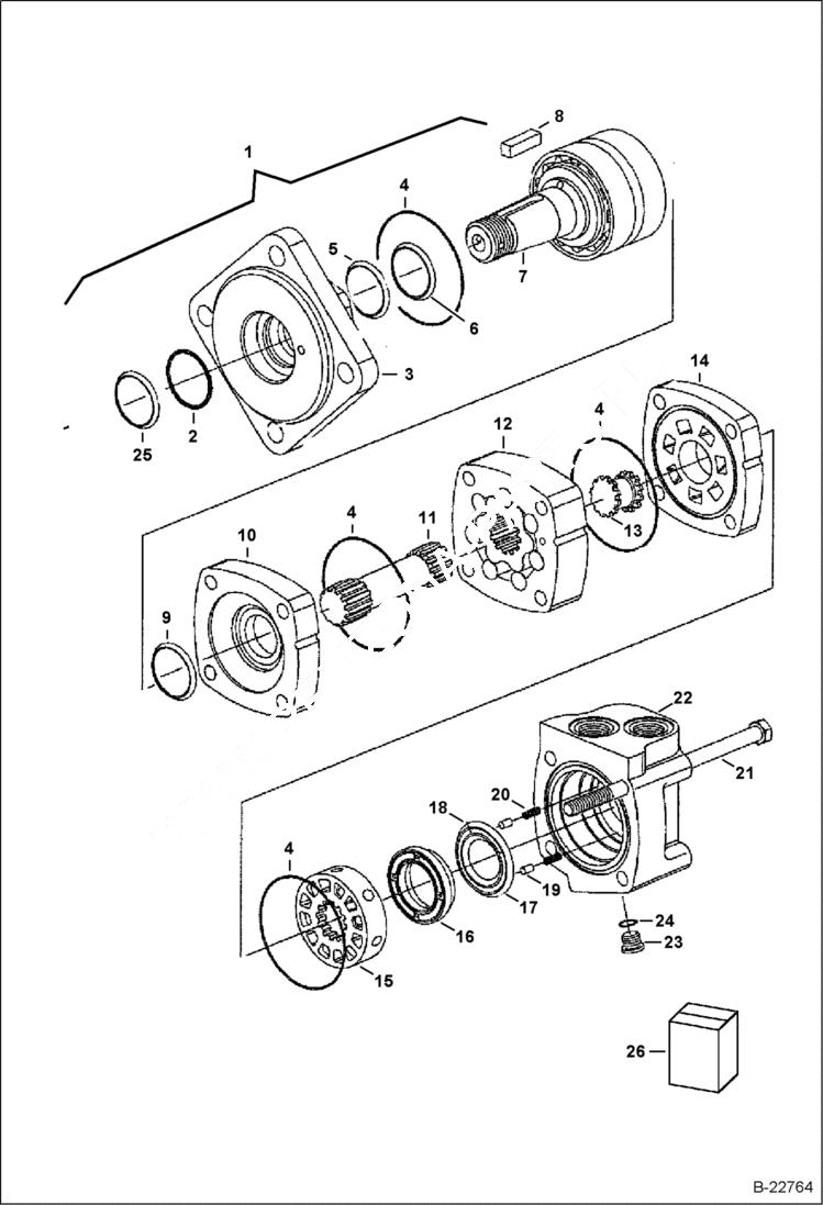
1

MOTOR NLA - drive - 105-1435-006 - Order 6686261 Motor - Was 6683005

2

6630029

SEAL shaft - 1.28'' ID x 1.57'' OD x .13'' wide

3

6685218

HOUSING

4

6662955

SEAL

5

6659511

BACKUP RING

6

6689096

SEAL Was 6665224 - A

7

6685217

SHAFT ASSY

8

6630089

KEY

9

1992098

SEAL

10

6632286

WEAR PLATE

11

6669150

DRIVE

12

6669151

GEROLER

13

1992084

DR VALVE

14

6656368

PLATE

15

6632288

VALVE

16

6630027

BALANCE RING

17

1992100

SEAL

18

SEAL NLA - Order Ref. 26 seal kit - Was 6653300 - A

19

1992102

PIN

20

1992088

SPRING

21

6651951

BOLT

22

6632348

HOUSING

23

1992104

PLUG W/Ref. 24

24

6664822

O-RING

25

6685219

SEAL slinger - 1.252'' ID x 2.09 OD x .26'' thick

25

6689099

SEAL slinger - 1.299'' ID x 2.268'' OD

26

6685220

SEAL KIT Ref. 2, 4-6,9,17,18 24 & 25 (6685219)

Выбрано товаров: 27