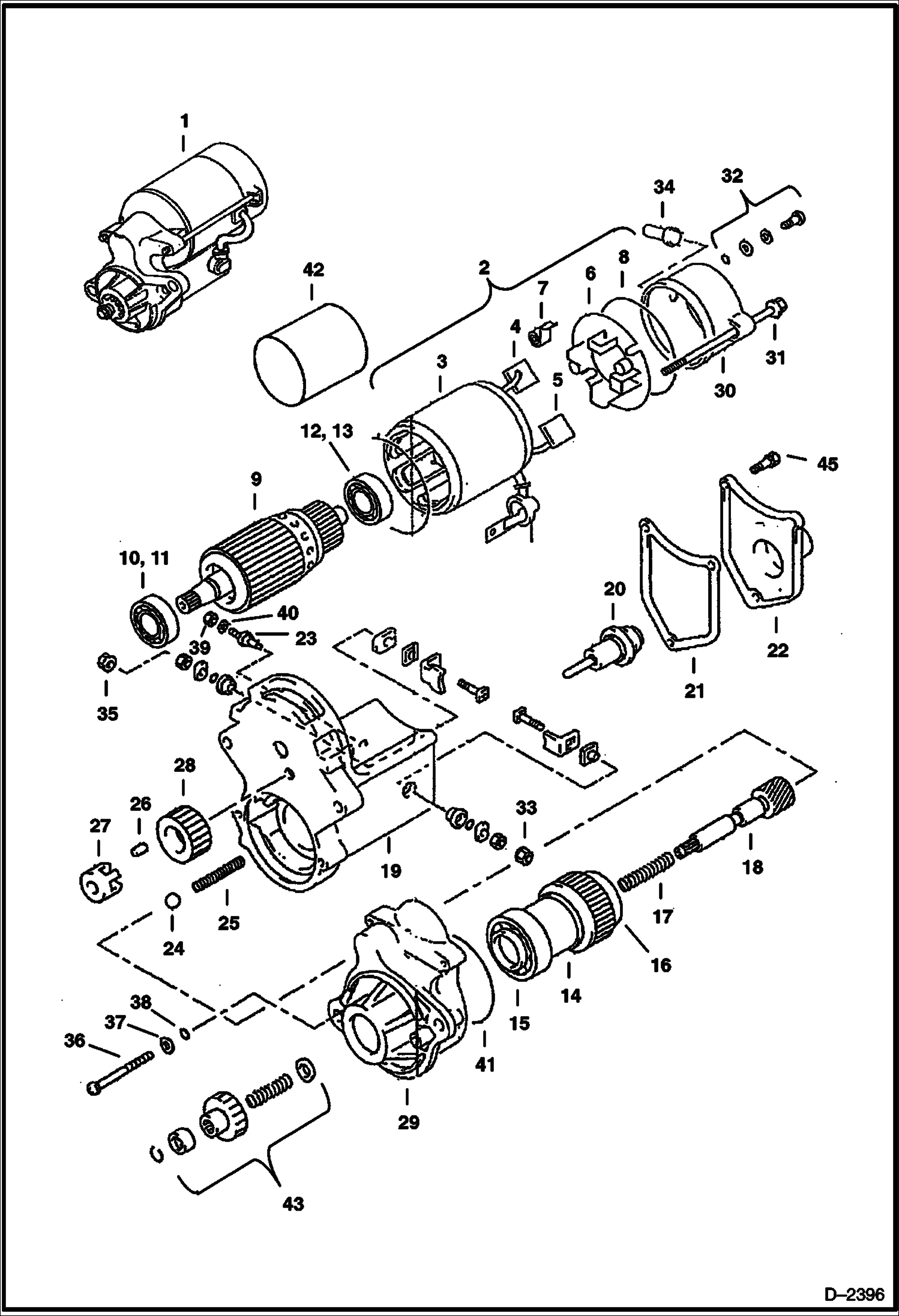
Запчасти Bobcat Mini Tracks Loaders STARTER (1.4 KW) (Nippondenso - 228000-5740) ELECTRICAL SYSTEM
№
Артикул
Название
Примечание
Количество
1
6667987
STARTER
1
6667987REM
STARTER
1
6667987EF
STARTER
2
6671976
YOKE ASSY. W/Ref. 3-8 & 42
3
6671977
YOKE W/Ref. 4
4
6671978
BRUSH KIT
5
6671979
BRUSH KIT
6
6671980
HOLDER W/Ref. 7
7
6671981
SPRING
8
6671982
O-RING
9
6671983
ARMATURE W/Ref. 10-13
10
6671984
BEARING
11
6671985
BEARING
12
6671986
BEARING
13
6671987
BEARING
14
6671988
CLUTCH W/Ref. 15 & 16
15
6671989
BEARING
16
6671990
BEARING
17
6671991
SPRING
18
SHAFT NSS - Was 6671992 - A
19
6671993
HOUSING
20
6671994
PLUNGER
21
6671995
GASKET
22
6671996
COVER
23
6671997
BOLT
24
6632435
BALL
25
6671998
SPRING
26
6671999
ROLLER
27
6672000
RETAINER
28
6672001
PINION
29
6672002
HOUSING
30
6672003
FRAME
31
6672004
BOLT
32
6672005
SCREW W/ O-rings
33
6672006
NUT
34
6672007
BUSHING
35
6672008
NUT
36
6672009
BOLT
37
6672010
WASHER
38
6666631
WASHER
39
6672011
NUT
40
6672012
WASHER
41
6672013
O-RING
42
6672205
COVER
43
6672172
KIT
Выбрано товаров: 0