Запчасти Bobcat Mini Tracks Loaders UPPER GASKET KIT POWER UNIT

Схема запчастей Bobcat Mini Tracks Loaders - UPPER GASKET KIT POWER UNIT
FIT
1:1
100%

Артикул

Название

Примечание

Количество

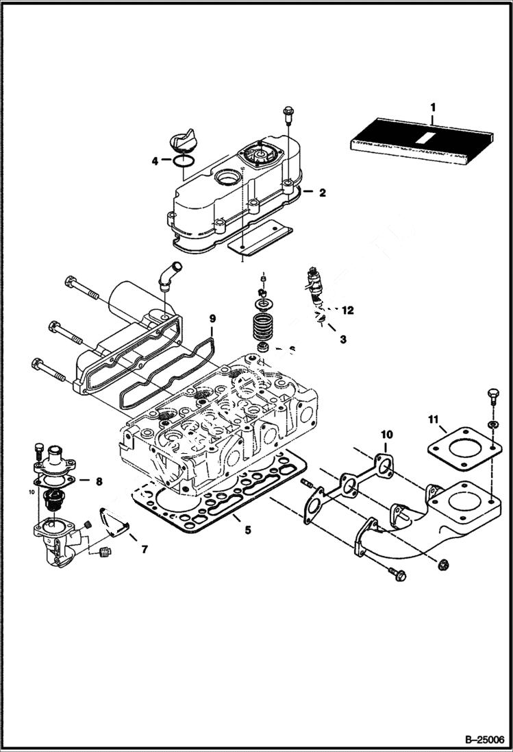
1

6689010

KIT, GASKET ENG UPPER upper - W/Refs. 2 - 12 - Was 6687740 - A

1

7000463

KIT, GASKET ENG UPPER upper - W/Refs. 2 - 12

2

6687742

GASKET, COVER HEAD CYL See Illustration ROCKER ARM COVER/ B24987 - for 6 hole head cover

2

7000468

GASKET, COVER HEAD CYL See Illustration ROCKER ARM COVER/ B24987 - for 4 hole head cover

3

6655872

HEAT SEAL See Illustration INJECTOR NOZZLES/ B25004 - injector

4

6683009

O-RING See Illustration ROCKER ARM COVER/ B24987 - oil fill plug

5

6687729

GASKET See Illustration CYLINDER HEAD/ C3432 - head

5

7000467

GASKET, HEAD CYL See Illustration CYLINDER HEAD/ C3432

6

6670517

SEAL See Illustration ROCKER ARM & VALVES/ B24988 - valve stem

7

6670500

GASKET See Illustration WATER FLANGE & THERMOSTAT/ B24986 - thermostat housing

8

6684863

GASKET See Illustration WATER FLANGE & THERMOSTAT/ B24986 - thermostat

9

6687730

GASKET See Illustration MANIFOLDS/ B24985 - intake manifold

10

6687731

GASKET See Illustration MANIFOLDS/ B24985 - exhaust manifold

11

6575580

GASKET See Illustration MANIFOLDS/ B24985 - muffler

12

6655218

GASKET See Illustration INJECTOR NOZZLES/ B25004 - injector

Выбрано товаров: 15