Запчасти Bobcat Mini Tracks Loaders GEARCASE POWER UNIT

Схема запчастей Bobcat Mini Tracks Loaders - GEARCASE POWER UNIT
FIT
1:1
100%

Артикул

Название

Примечание

Количество

1

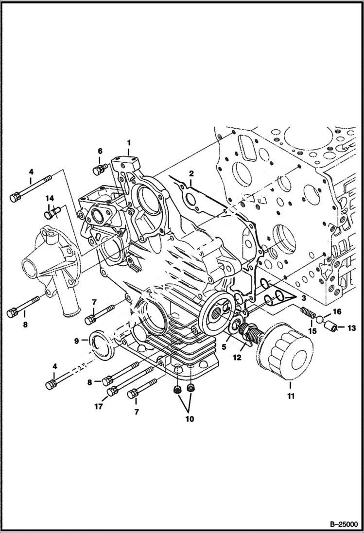
GEARCASE See Illustration GEARCASE/ B27226 - NLA - W/Ref. 9 & 10 - Order 6698145 gearcase & 6698146 gasket and DO NOT use Ref. 3 seal - Was 6687682

2

6688057

GASKET Included W/lower gasket kit - Was 6687680 - A

2

6698146

GASKET, GEAR CASE Use W/O Ref. 3 seal

3

6677915

SEAL Included W/lower gasket kit

4

6657414

BOLT

5

6677916

WASHER

6

6652580

BOLT

7

6670770

BOLT

8

6670357

BOLT

9

6670358

SEAL front crankshaft

10

6652575

PLUG

11

6671057

FILTER, OIL ENG 12

12

6652597

ADAPTER

13

6670360

SEAT

14

6670355

PIN

15

6670359

SPRING

16

6670361

BALL

17

6687661

BOLT

Выбрано товаров: 18