Качественные детали и логистика
Оригинальные и аналоговые запчасти с доставкой по России, Казахстану и Беларуси
©2022 PartSell ООО "Система" ИНН 2463123282 ОГРН 1212400004838
Центральный офис: г. Красноярск, Академика Киренского, д.87, пом.4
Телефон: 8 (800) 777-65-74 Email: zakaz@partsell.ru
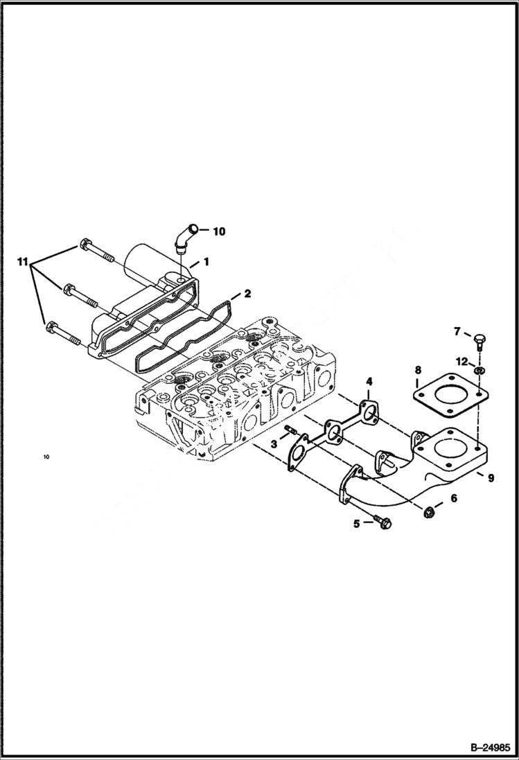
MANIFOLDS
№
Артикул
Название
Примечание
Количество
1
6687720
MANIFOLD intake - W/Ref. 2 & 10
2
6687730
GASKET Included W/upper gasket kit
3
3974289
STUD
4
6687731
5
6670531
BOLT
6
6670533
NUT
7
4CM822
8
6575580
GASKET muffler
9
6687683
MANIFOLD exhaust
10
6687719
TUBE
11
1CM625
BOLT Was 4CM625 - A
12
6EM80
WASHER, SPRING
Выбрано товаров: 0