Запчасти Bobcat Mini Tracks Loaders INJECTOR NOZZLES (Kubota D902-E3B-BC-1)(Tier IV Replacement) REPLACEMENT ENGINE

Схема запчастей Bobcat Mini Tracks Loaders - INJECTOR NOZZLES (Kubota D902-E3B-BC-1)(Tier IV Replacement) REPLACEMENT ENGINE
FIT
1:1
100%

Артикул

Название

Примечание

Количество

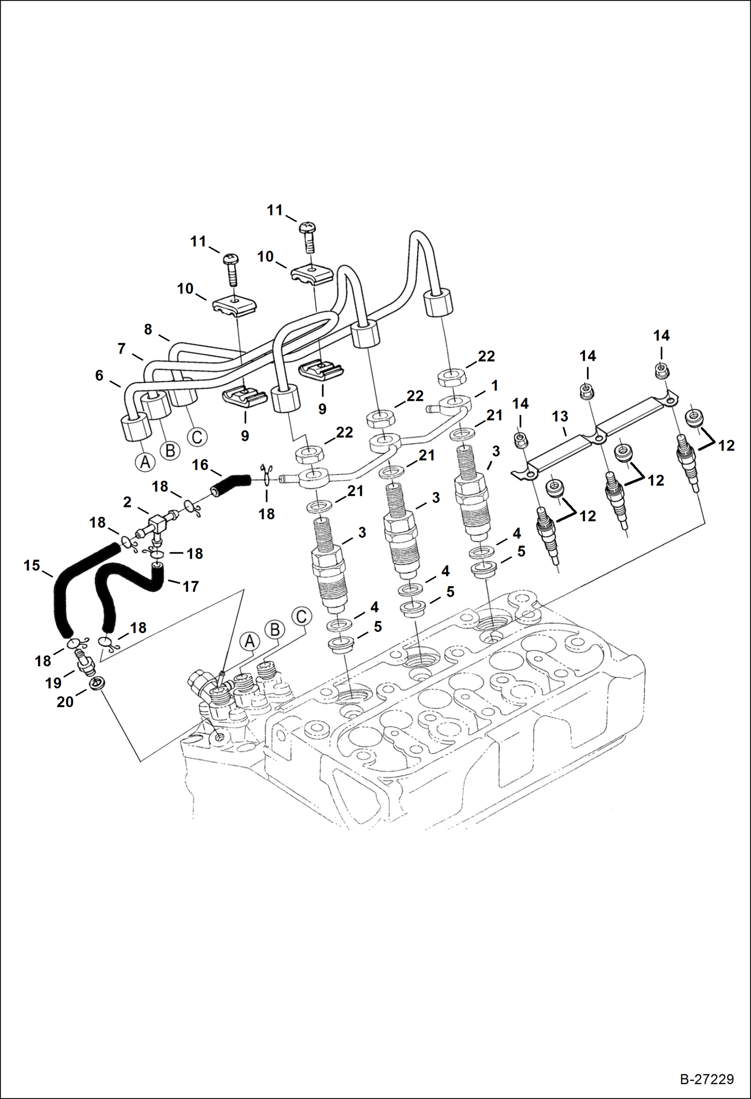
1

6687736

TUBE injector return line

2

6680797

TEE

3

NOZZLE HOLDER See Illustration NOZZLE HOLDER/ B14862A - Was 6670465 - B

4

6655218

GASKET

5

6655872

HEAT SEAL

6

6687708

TUBE

7

6687709

TUBE

8

6687737

TUBE

9

6652688

CLAMP

10

6652689

CLAMP

11

3974260

SCREW

12

6670470

GLOW PLUG

13

6687738

CORD

14

6670472

NUT

15

6687671

TUBE, FUEL LINE ASSY assy - W/Ref. 18 (2)

16

6687670

TUBE, FUEL LINE ASSY assy - W/Ref. 18 (2)

17

6687672

TUBE, FUEL LINE ASSY assy - W/Ref. 18 (2)

18

6654718

CLAMP

19

6657446

SCREW air bleeder

20

3974972

GASKET

21

6657463

WASHER

22

6657460

NUT

Выбрано товаров: 0