Запчасти Bobcat S-Series LOWER GASKET KIT REPLACEMENT ENGINE

Схема запчастей Bobcat S-Series - LOWER GASKET KIT REPLACEMENT ENGINE
FIT
1:1
100%

Артикул

Название

Примечание

Количество

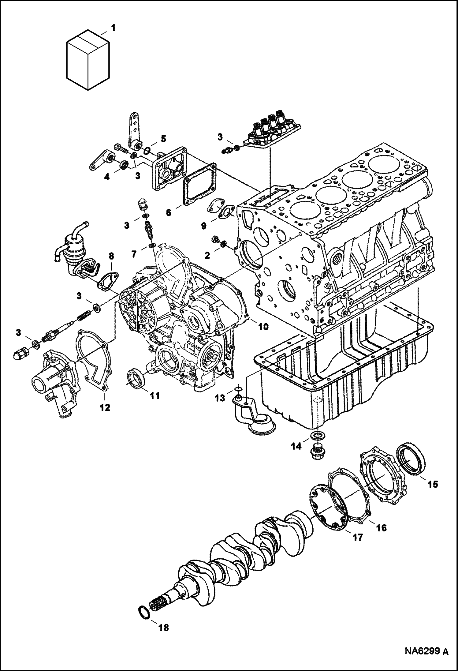
1

6698637

KIT, GASKET ENG LOWER Ref. 2-18

2

3974095

MET-GASK See Illustration CRANKCASE/ EM8466A

3

3974972

GASKET See Illustration SPEED CONTROL PLATE/ NA6267A See Illustration IDLE APPARATUS & STOP SOLENOID/ B26337A

4

6598703

SEAL See Illustration SPEED CONTROL PLATE/ NA6267A - speed control shaft

5

6680277

O-RING See Illustration SPEED CONTROL PLATE/ NA6267A - speed control shaft

6

6657578

GASKET See Illustration SPEED CONTROL PLATE/ NA6267A - speed control plate

7

6687687

GASKET See Illustration IDLE APPARATUS & STOP SOLENOID/ B26337A - idle assy

8

6670782

GASKET See Illustration FUEL & INJECTION PUMP/ NA6636A

9

6657574

GASKET See Illustration GOVERNOR/ EM8483A - governor plate

10

6657479

GASKET See Illustration GEAR CASE/ EM8471 - gear case

11

6657603

SEAL See Illustration GEAR CASE/ EM8471 - front oil

12

6657610

GASKET See Illustration WATER PUMP/ EM8474A - water pump

13

6680284

O-RING See Illustration OIL PAN/ EM8467A - oil screen

14

6691295

GASKET See Illustration OIL PAN/ EM8467A - drain plug

15

6657481

SEAL See Illustration PISTON, CRANKSHAFT & MAIN BEARING CASE/ EM8041A - rear crankshaft

16

6698617

GASKET, COVER CASE See Illustration PISTON, CRANKSHAFT & MAIN BEARING CASE/ EM8041A

17

6657480

GASKET See Illustration PISTON, CRANKSHAFT & MAIN BEARING CASE/ EM8041A - bearing case

18

6680268

O-RING See Illustration PISTON, CRANKSHAFT & MAIN BEARING CASE/ EM8041A - crankshaft

Выбрано товаров: 18