Запчасти Bobcat S-Series OIL PAN REPLACEMENT ENGINE

Схема запчастей Bobcat S-Series - OIL PAN REPLACEMENT ENGINE
FIT
1:1
100%

Артикул

Название

Примечание

Количество

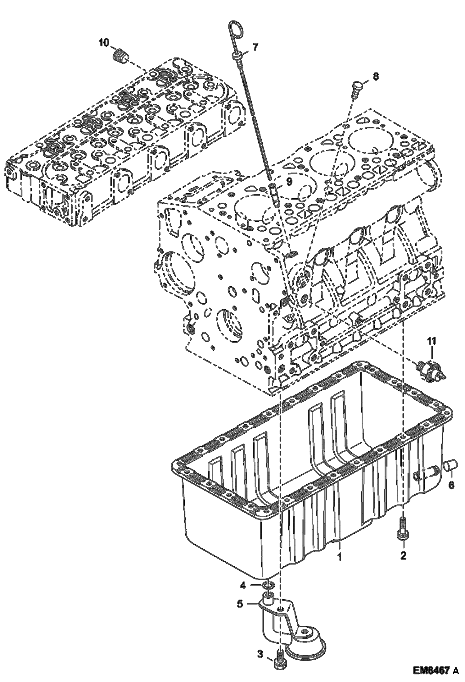
1

6692537

COMP. OIL PAN

2

1CM614

SCREW Was 4CM614 - A

3

6667421

BOLT

4

6680284

O-RING

5

6692538

FILTER, OIL

6

6687741

PLUG

7

6692541

GAUGE, OIL

8

6969804

PLUG,OIL GAUGE

9

6677203

TUBE,DIPSTICK

10

6680667

PLUG

Выбрано товаров: 10