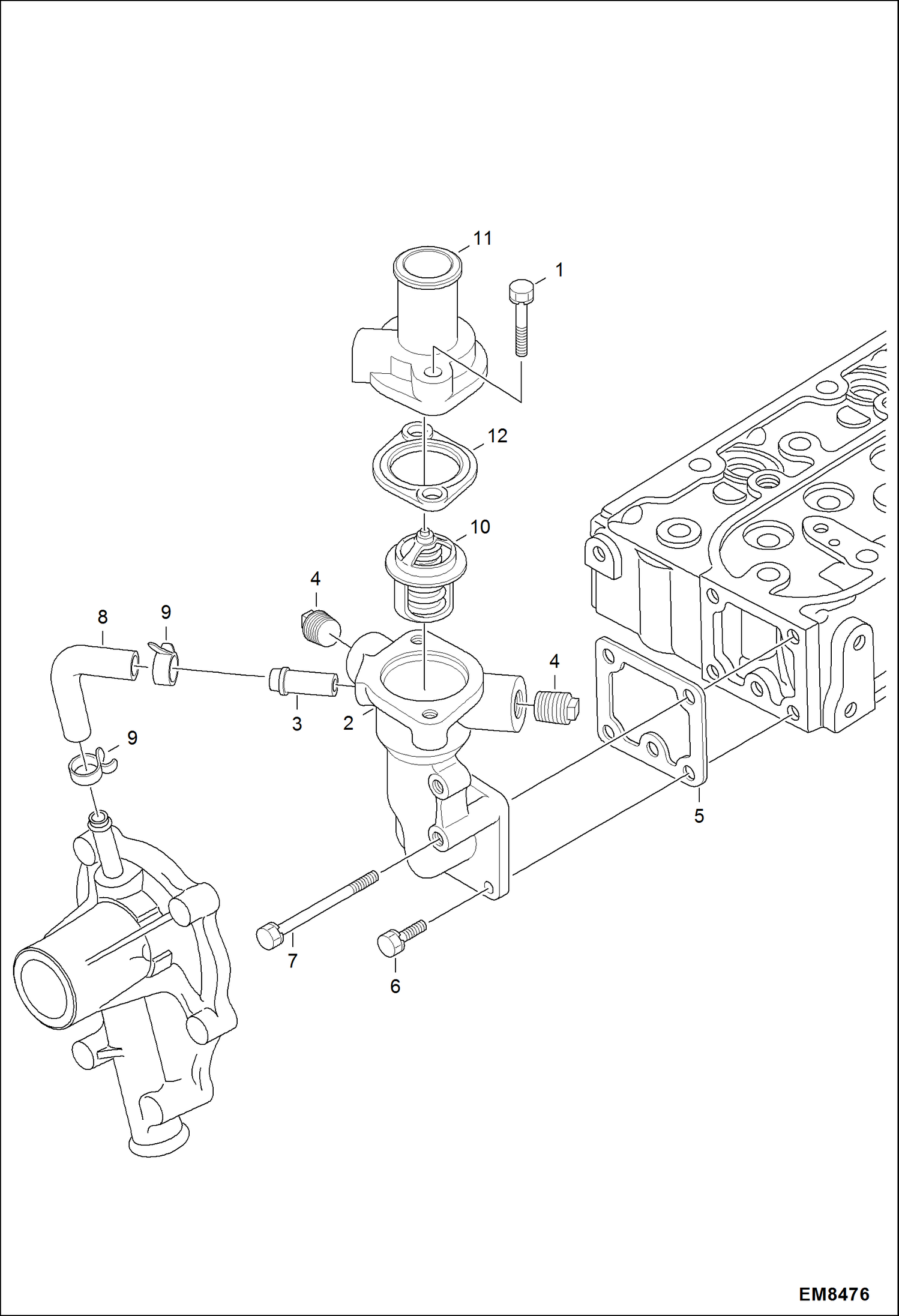
Запчасти Bobcat S-Series WATER FLANGE & THERMOSTAT REPLACEMENT ENGINE

Схема запчастей Bobcat S-Series - WATER FLANGE & THERMOSTAT REPLACEMENT ENGINE
FIT
1:1
100%

Артикул

Название

Примечание

Количество

1

1CM835

BOLT

2

6672482

FLANGE W/Ref. 3

3

6670785

PIPE

4

6684857

PLUG

5

6657583

GASKET

6

1CM616

SCREW Was 4CM616 - A

7

6670770

BOLT

8

6657584

PIPE

9

6680580

CLAMP

10

6674172

THERMOSTAT

11

6672479

COVER

12

6684863

GASKET

Выбрано товаров: 12