Запчасти Bobcat S-Series FUEL & INJECTION PUMP REPLACEMENT ENGINE

Схема запчастей Bobcat S-Series - FUEL & INJECTION PUMP REPLACEMENT ENGINE
FIT
1:1
100%

Артикул

Название

Примечание

Количество

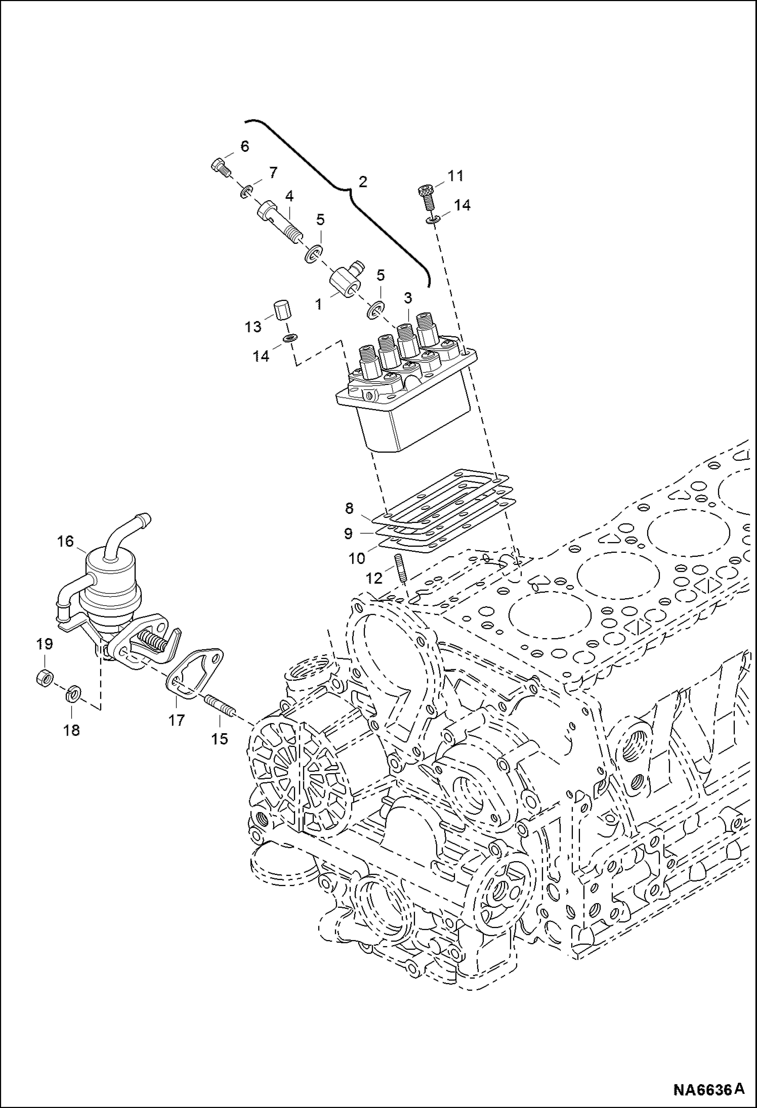
1

6657598

JOINT

2

6691314

PUMP Ref. 3-7

3

PUMP NLA - Order Ref. 2

4

6672395

BOLT

5

6657466

GASKET

6

6657445

SCREW

7

6657467

GASKET

8

6698612

SHIM, PUMP INJ 0,175 mm

9

6657472

SHIM 0,200 mm

9

6691316

SHIM 0,25 mm

10

6691317

SHIM 0,30 mm

10

6698611

SHIM, PUMP INJ 0,350 mm

11

6657417

BOLT

12

6657458

STUD

13

6657461

NUT

14

6667419

WASHER

15

6680264

STUD

16

6672427

FUEL PUMP

17

6670782

GASKET

18

6667419

WASHER

19

6670533

NUT

Выбрано товаров: 21