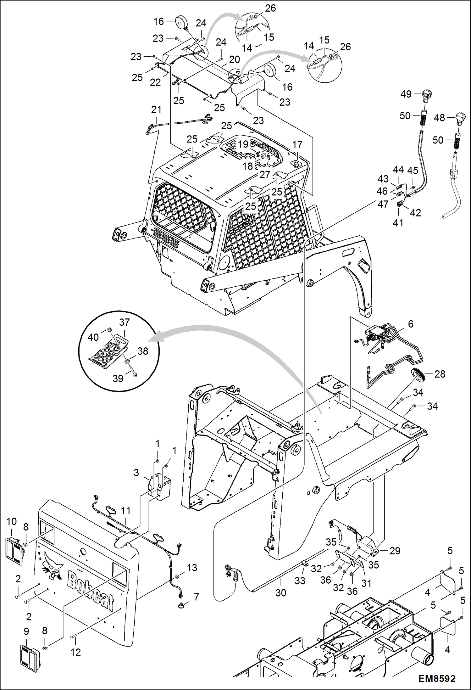
Запчасти Bobcat S-Series JAPAN PACKAGE ACCESSORIES & OPTIONS

Схема запчастей Bobcat S-Series - JAPAN PACKAGE ACCESSORIES & OPTIONS
FIT
1:1
100%

Артикул

Название

Примечание

Количество

1

55D6

NUT

2

37C624

BOLT

3

6715318

TOOL HOLDER

4

6737088

COVER, ACCESS

5

84G3720

BOLT

6

6689072

VALVE BKT POSITION See Illustration BUCKET POSITIONING/ EM7482

7

6624289

STRAP, TIE

8

6688637

MOUNT

9

7104670

LIGHT

10

7104671

LIGHT

11

7139785

HARNESS, DOOR REAR Was 7109404 - A

12

37C512

BOLT

13

95D5

NUT

14

614142

SLEEVE 10

15

6515131

TERMINAL

16

6517516

LIGHT

17

6557904

FLASHER

18

6668815

SWITCH

19

6676872

TURN SIGNAL

20

6718326

MOUNT

21

6718872

HARNESS

22

6718873

HARNESS

23

35C412

BOLT

24

37C412

BOLT

25

59D4

NUT 5

26

6E5

WASHER

27

6665314

PLUG

28

6577545

GROMMET

29

7001044

HORN, ALARM Was 6675099 - A

30

6719151

HARNESS

31

6733970

MOUNT

32

35C410

BOLT 5

33

30H23

CLAMP

34

35C516

BOLT 10

35

97D4

NUT

36

83D5

NUT 5

37

7131233

PEDAL

38

7131236

BUSHING

39

35C524

BOLT

40

89D5

NUT

41

6640692

CONNECTOR 10-pin

42

6640694

LOCK

43

6641179

CONNECTOR 2-pin

44

6641180

LOCK

45

6646582

PLUG

46

6667144

CONNECTOR 5-pin

47

6667145

LOCK

48

6680415

HANDLE

49

6680419

HANDLE ASSY.

50

6702621

GRIP

Выбрано товаров: 50