Качественные детали и логистика
Оригинальные и аналоговые запчасти с доставкой по России, Казахстану и Беларуси
©2022 PartSell ООО "Система" ИНН 2463123282 ОГРН 1212400004838
Центральный офис: г. Красноярск, Академика Киренского, д.87, пом.4
Телефон: 8 (800) 777-65-74 Email: zakaz@partsell.ru
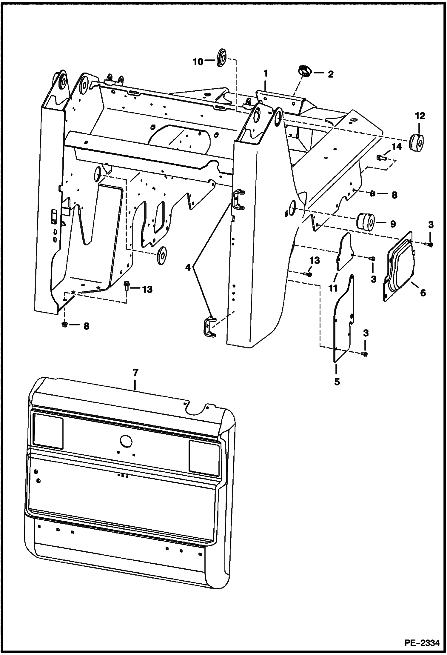
MAIN FRAME
№
Артикул
Название
Примечание
Количество
1
6737143
2
6718796
PLUG Bobcat head
3
84G3712
BOLT 5
4
6708987
HINGE, WELD-ON
5
7152006
SHIELD LH - Was 6733912 - A
6
6733701
COVER
7
6729991
REAR DOOR See Illustration REAR DOOR/ PE2252
8
83D8
NUT 5
9
6702584
BUSHING, WELD-ON weld on
10
6702583
BUSHING, WELD-ON
11
6735344
SHIELD
12
6731578
13
31C820
BOLT Was 31C824 - B,D
14
BOLT
Выбрано товаров: 0