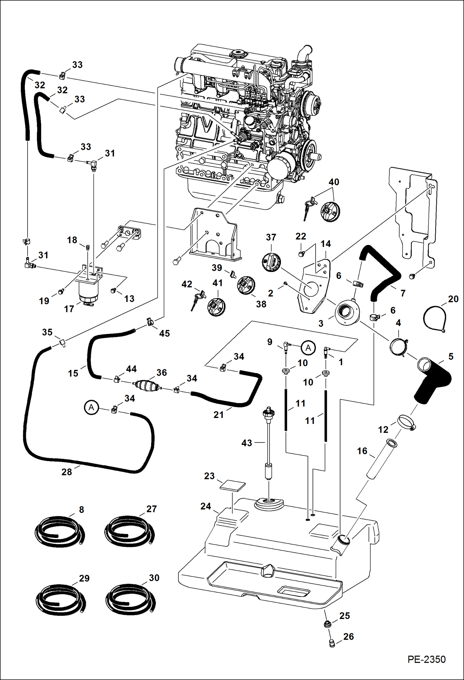
Запчасти Bobcat S-Series FUEL SYSTEM MAIN FRAME

Схема запчастей Bobcat S-Series - FUEL SYSTEM MAIN FRAME
FIT
1:1
100%

Артикул

Название

Примечание

Количество

1

6598908

ELBOW

2

7106279

BOLT Was 6706517 - B

3

6701449

FILLER TUBE

4

5HM58

CLAMP constant tension

5

6736208

HOSE

6

5HM24

CLAMP constant tension

7

HOSE NLA - 27.5'' (698,5 mm) long - Order Ref. 8

8

6578172

HOSE bulk - sold per foot

9

7101291

ELBOW 3 barb on outlet end

10

6553411

BUSHING 0.38'' ID

11

6729853

HOSE

12

42H32

HS CLAMP5

13

84G3112

BOLT 5

14

6731059

INLET

15

HOSE NLA - 62'' (1574.8 mm) long - Order Ref. 29

16

7120881

SCREEN, FILLER Was 6569219 - A

17

6667353

FILTER ASSY W/Ref. 18

17

6667352

FILTER, FUEL W/SEPARATOR 12

17

72F1

FITTING

18

6658180

PLUG, BLEED

19

84G3116

SCREW

20

6624289

STRAP, TIE

21

HOSE NLA - 37'' (939,8 mm) long - Order Ref. 29

22

84G3716

SCREW 5

23

6578278

PAD self adhesive one side

24

7102117

TANK

25

6717402

BUSHING 0.54'' ID

26

7203382

PLUG, STEEL fuel drain - .75'' shoulder - Was 6717401 - A

27

GASKET NLA - Was 6737760 - A

27

6577821

HOSE bulk - sold per foot - .25'' ID

28

HOSE NLA - 23'' (584,2 mm) long - Order Ref. 27 - Was 18'' (457,2 mm) long

29

6578169

HOSE bulk - sold per foot - 0.19'' ID

30

6577822

HOSE bulk - sold per foot - .3125'' ID

31

6715183

ELBOW

31

79K5

O RING 10

32

HOSE NLA - 13'' (330,2 mm) long - Order Ref. 30

33

5HM14

CLAMP

34

5HM13

CLAMP

35

42HS04

CLAMP, HOSE

36

6657734

PUMP, PRIMER HAND 124 mm (4.88'') long

37

6661114

CAP. DIESEL green

37

7113340

CAP. DIESEL non-locking - European

38

6661696

CAP, FUEL LOCKING locking - W/key - Code PK510

39

6587458

KEY Code PK510

40

7121223

CAP. DIESEL LOCKING black

41

7023550

CAP, DIESEL LOCKING

42

6693241

KEY 10 ignition - single key W/O ring

43

7179839

SENSOR FUEL See Illustration ENGINE ELECTRICAL CIRCUITRY/ PE3103 W/gasket - Was 6680438 - A

44

5HM13

CLAMP

45

5HM14

CLAMP

Выбрано товаров: 50