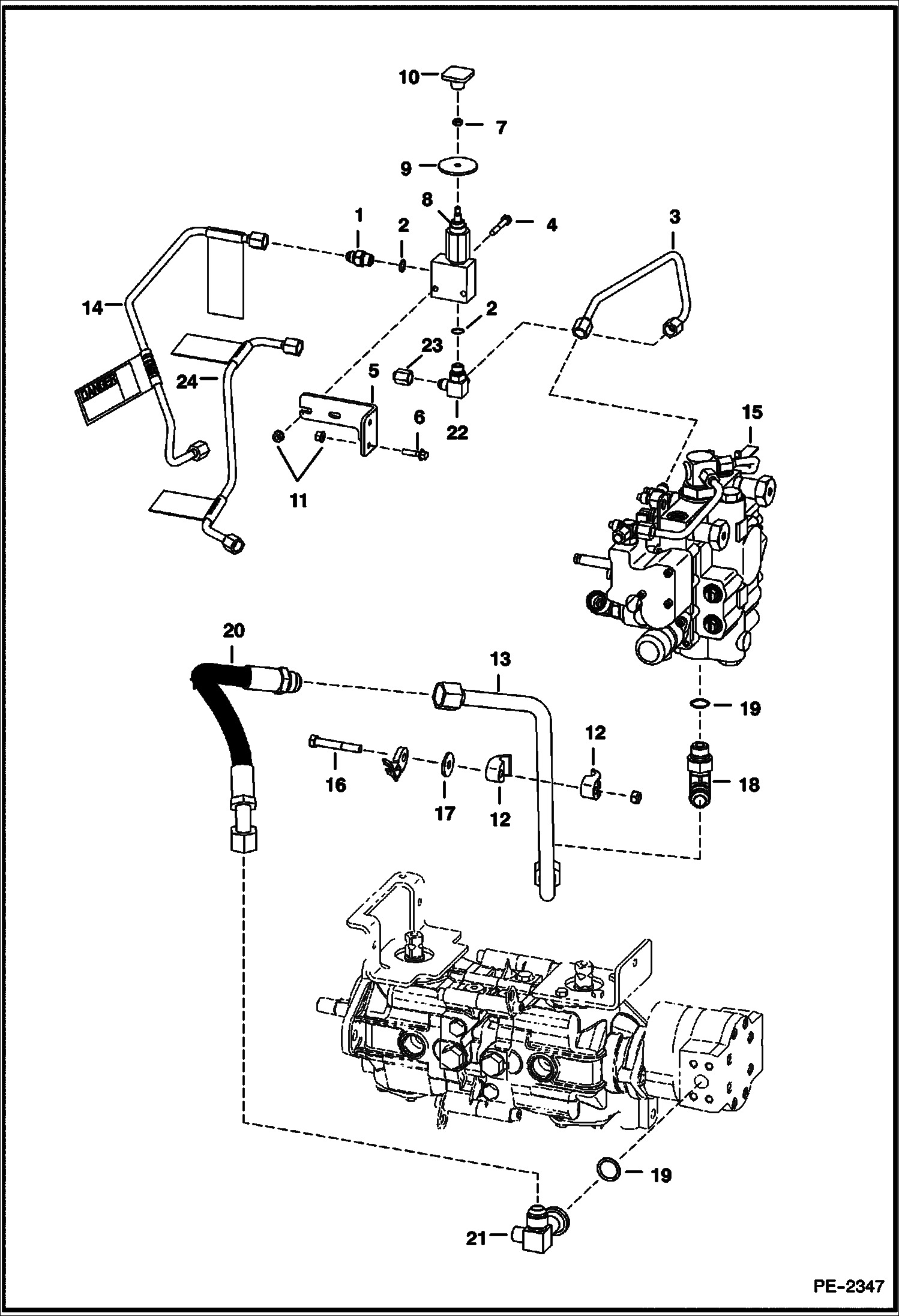
Запчасти Bobcat S-Series MANUAL LIFT RELEASE SYSTEM HYDRAULIC SYSTEM

Схема запчастей Bobcat S-Series - MANUAL LIFT RELEASE SYSTEM HYDRAULIC SYSTEM
FIT
1:1
100%

Артикул

Название

Примечание

Количество

1

15KB0606

FITTING, HYD CONNECTOR W/Ref. 2

2

79K6

O RING 10

3

7100227

TUBE

4

17C428

BOLT

5

6729908

MOUNT

6

35C416

BOLT

7

7D4

NUT

8

7230495

VALVE, LIFT MANUAL See Illustration MANUAL LIFT RELEASE VALVE/ PE1547 - manual lift release - Was 6667844 - A

9

6707101

SEAL neoprene

10

6737524

KNOB red square

11

83D4

NUT 10

12

7100462

CLAMP

13

7100241

TUBE

14

TUBE NLA - Order Ref. 24 (7102311 Tube) & adjust fitting on Control Valve to fit - Was 7102311 - D

15

VALVE ASSY See Illustration HYDROSTATIC CIRCUITRY/ PE2362 BICS CONTROL

16

17C640

BOLT 5

17

619021

WASHER, 5

18

7101797

ELBOW W/Ref. 19

19

79K12

O RING 10

20

7100853

HOSE

21

7103952

TEE W/Ref. 19

22

6725182

TEE W/Ref. 2

23

36K5

CAP

24

7102311

TUBE available only as an assembly W/two danger decals installed

24

6809511

DECAL, DANGER

Выбрано товаров: 25