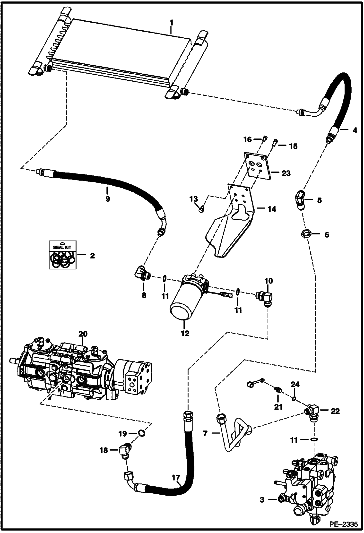
Запчасти Bobcat S-Series HYDROSTATIC CIRCUITRY HYDROSTATIC SYSTEM

Схема запчастей Bobcat S-Series - HYDROSTATIC CIRCUITRY HYDROSTATIC SYSTEM
FIT
1:1
100%

Артикул

Название

Примечание

Количество

1

6736377

EXCHANGER, OIL COOLER Also Order 7192812 STC insert kit for Ref. 4 hose

2

6674798

REPAIR KIT For Ref. 4, 5 or 8 - includes internal retaining ring (1), back-up ring (1) & O-ring (1)

2

7192812

KIT, INSERT STC Use Between Ref. 1 & 4

2

6989729

INSTRUCTIONS

3

VALVE See Illustration HYDRAULIC CONTROL VALVE/ PE2683 HYD. CONTROL

4

6673828

HOSE, HYD ASSY Also Order Ref. 2 (7192812 kit) for use at the oil cooler

5

6670831

ELBOW STC - Also Order Ref. 2 (6674798 kit) to reseal to hose

5

6690949

O-RING

6

86F8

NUT 5

7

6708748

TUBE

8

6681945

ELBOW W/Ref. 11 - STC - use 6674798 repair kit to reseal to hose

9

6685625

HOSE

9

6690949

O-RING

10

17KB1212

FITTING, HYD ELBOW W/Ref. 11

11

79K12

O RING 10

12

6676969

FILTER See Illustration HYDROSTATIC OIL FILTER/ NA1844

12

6661248

FILTER, OIL HYD 12 #3 media - 152,4 mm (6'') long

13

84G3712

BOLT 5

14

6727345

MOUNT filter drain

15

17C616

BOLT 5

16

17C610

BOLT

17

7101247

HOSE

18

17KB1210

FITTING, HYD ELBOW W/Ref. 19

19

79K10

O RING 10

20

PUMP See Illustration HYDROSTATIC PUMP/ B22521

21

24K5

PLUG W/ Ref. 24

22

6715653

TEE W/Ref. 11

23

6704341

MOUNT

24

79K6

O RING 10

Выбрано товаров: 29