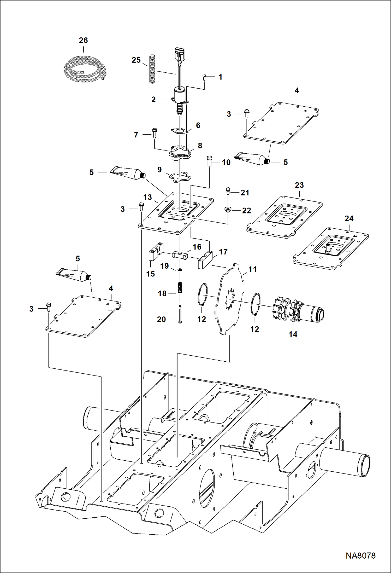
Запчасти Bobcat S-Series DISC BRAKE DRIVE TRAIN

Схема запчастей Bobcat S-Series - DISC BRAKE DRIVE TRAIN
FIT
1:1
100%

Артикул

Название

Примечание

Количество

1

17C412

BOLT 5

2

6681512

SOLENOID

3

84G3716

SCREW 5

4

7129987

COVER Was 6733956 - A

5

6685372

SEALANT, GASKET LIQUID 10.1 OZ tube - 0.57 kg (20 oz)

6

6706737

GASKET

7

84G3720

BOLT

8

6706718

MOUNT

9

6708016

GASKET

10

47C820

BOLT

11

7120111

BRAKE, DISC disc - Was 6716228 - A

12

6658672

SNAP RING

13

6735612

CHAINCASE COVER B stamped

14

7161187

SHAFT, TRANS - double snap ring groove - Was 6733621 - A

15

6719056

BLOCK guide - LH

16

6714278

WEDGE, LOCK TRACTION

17

6719057

BLOCK guide - RH

18

6708018

SPRING

19

25E13

WASHER 5

20

6708267

BOLT

21

6680970

BREATHER

22

6553411

BUSHING

23

COVER S stamped - Order Ref. 24, 17C612 bolt & 6557831 washer - Was 7130298 - A

24

7156266

COVER See Illustration CONTROL PEDALS/ PE2844 - S stamped

25

CONDUIT, FLEX NLA - 130 mm (5.25'') - Order Ref. 25

26

6584978

CONDUIT bulk - sold per foot

Выбрано товаров: 26