Запчасти Bobcat S-Series MAIN FRAME MAIN FRAME

Схема запчастей Bobcat S-Series - MAIN FRAME MAIN FRAME
FIT
1:1
100%

Артикул

Название

Примечание

Количество

1

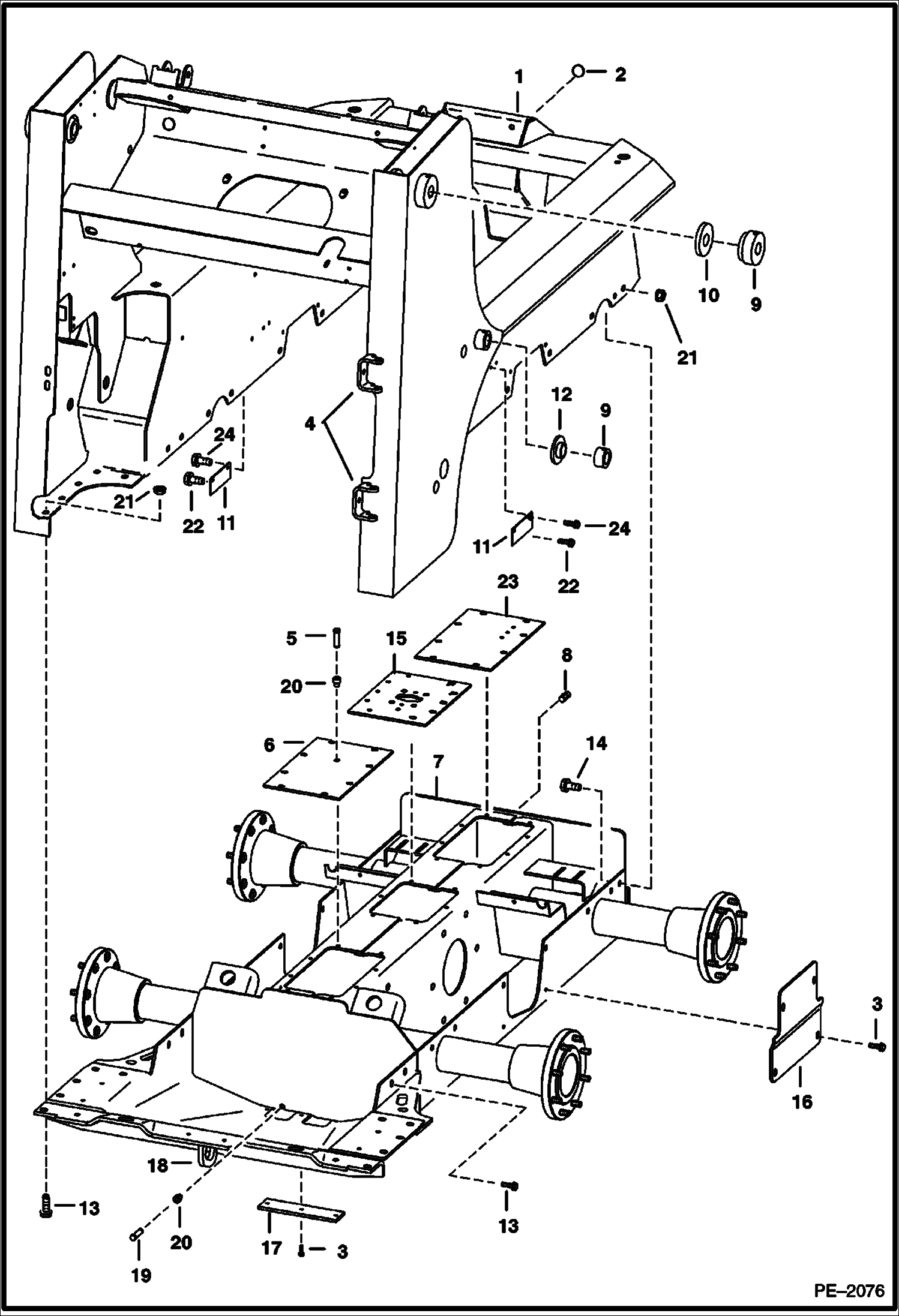
MAIN FRAME NLA - Order 6737360 Main Frame, 6736359 Grill, 6736362 Radiator, 6736378 Seal, 6736379 Tank, 7101090 Hose, 6681945 Elbow, 6685625 Hose, 6732870 Mount, 6733429 Cap, 6736377 Oil Cooler, 66573

1

6737360

MAINFRAME

2

6718796

PLUG

3

84G3712

BOLT 5

4

6708987

HINGE, WELD-ON

5

6680970

BREATHER See Illustration DISC BRAKE/ PE2278

6

6700330

COVER

7

CHAINCASE See Illustration DRIVE TRAIN/ PE2279

8

6731121

PLUG chaincase fill

9

6702584

BUSHING, WELD-ON weld on

10

6702583

BUSHING, WELD-ON

11

6734420

COVER

12

6555987

BUSHING weld on

13

31C820

BOLT Was 31C824 - B,D

14

31C820

BOLT

15

6706042

COVER See Illustration DISC BRAKE/ B16484

16

6733701

COVER

17

6700182

COVER, DRAIN

18

6706485

HOOK tie down - weld-on

19

6599645

PLUG, STEEL chaincase drain

20

6553411

BUSHING

20

6553411

BUSHING

21

83D8

NUT 5

22

17C620

BOLT

23

6578505

COVER See Illustration DISC BRAKE/ B16484

24

84G3710

SCREW

Выбрано товаров: 26