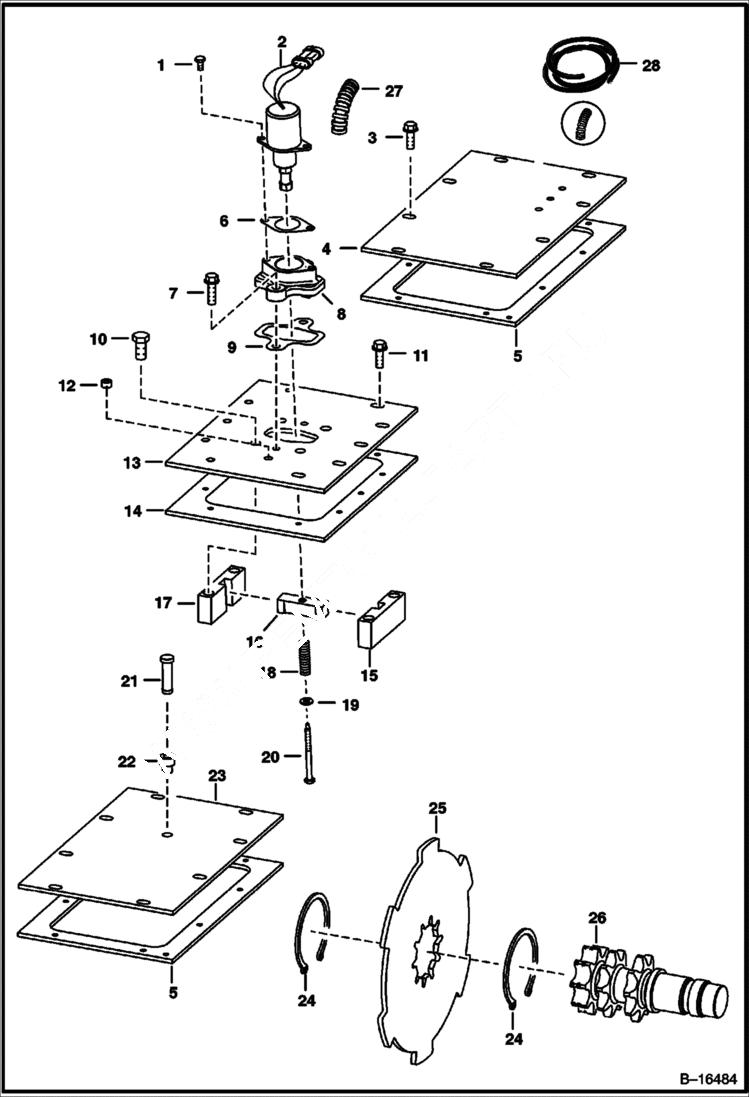
Запчасти Bobcat S-Series DISC BRAKE (Non-Flat Top Chaincase) DRIVE TRAIN

Схема запчастей Bobcat S-Series - DISC BRAKE (Non-Flat Top Chaincase) DRIVE TRAIN
FIT
1:1
100%

Артикул

Название

Примечание

Количество

1

17C412

BOLT 5

2

6681512

SOLENOID

3

84G3712

BOLT 5

4

6729173

COVER

5

6703097

GASKET, TRANS COVER

6

6706737

GASKET

7

84G3720

BOLT

8

6706718

MOUNT

9

6708016

GASKET

10

17C820

BOLT

10

47C820

BOLT

11

84G3716

SCREW 5

12

6544654

BUSHING spacer

13

6706042

COVER

14

6706968

GASKET

15

6719057

BLOCK guide - RH

16

6714278

WEDGE, LOCK TRACTION

17

6719056

BLOCK guide - LH

18

6708018

SPRING

19

25E13

WASHER 5

20

6708267

BOLT

21

6680970

BREATHER

22

6553411

BUSHING

23

6700330

COVER

24

6658672

SNAP RING

25

7120111

BRAKE, DISC disc - Was 6716228 - A

26

7161187

SHAFT, TRANS See Illustration MOTOR CARRIER/ PE1893 - double snap ring groove - Was 6733621 - A

27

CONDUIT NLA - 5'' (127 mm) long - Order Ref. 28

28

6584978

CONDUIT bulk - sold per foot

Выбрано товаров: 29