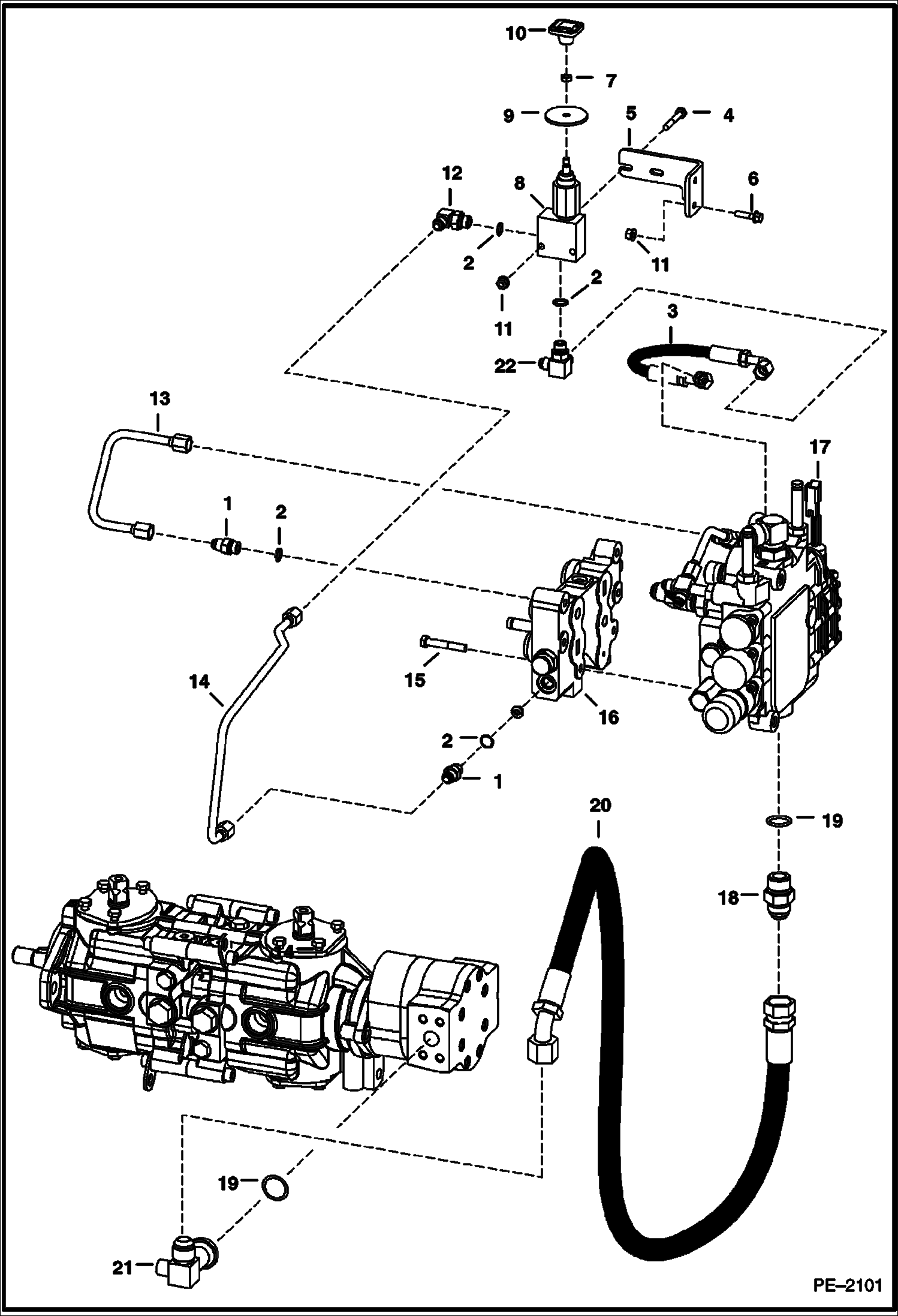
Запчасти Bobcat S-Series MANUAL LIFT RELEASE SYSTEM HYDRAULIC SYSTEM

Схема запчастей Bobcat S-Series - MANUAL LIFT RELEASE SYSTEM HYDRAULIC SYSTEM
FIT
1:1
100%

Артикул

Название

Примечание

Количество

1

15KB0606

FITTING, HYD CONNECTOR W/Ref. 2

2

79K6

O RING 10

3

6736213

HOSE Was 6732613 - D

4

17C428

BOLT

5

6729908

MOUNT

6

35C416

BOLT

7

7D4

NUT

8

7230495

VALVE, LIFT MANUAL See Illustration MANUAL LIFT RELEASE VALVE/ PE1547 - manual lift release - Was 6667844 - A

9

6707101

SEAL neoprene

10

6737524

KNOB red square - Was 6668913 - A

11

83D4

NUT 10

12

17KB0606

FITTING W/Ref. 2

13

6735837

TUBE

14

6729909

TUBE

15

43C532

BOLT

16

6628571

VALVE ASSY See Illustration BICS CONTROL VALVE/ TS1365

17

VALVE See Illustration HYDRAULIC CONTROL VALVE/ B17114 - control

18

15KB1212

FITTING, HYD CONNECTOR W/Ref. 19

19

79K12

O RING 10

20

6734246

HOSE

20

6737504

HOSE

21

TEE See Illustration HYDROSTATIC CIRCUITRY/ PE1946 W/Ref. 19

22

6725182

TEE W/Ref. 2

Выбрано товаров: 23