Запчасти Bobcat S-Series COOLING SYSTEM (S/N 5246 14399 & Bel, 5247 11899 & Bel) POWER UNIT

Схема запчастей Bobcat S-Series - COOLING SYSTEM (S/N 5246 14399 & Bel, 5247 11899 & Bel) POWER UNIT
FIT
1:1
100%

Артикул

Название

Примечание

Количество

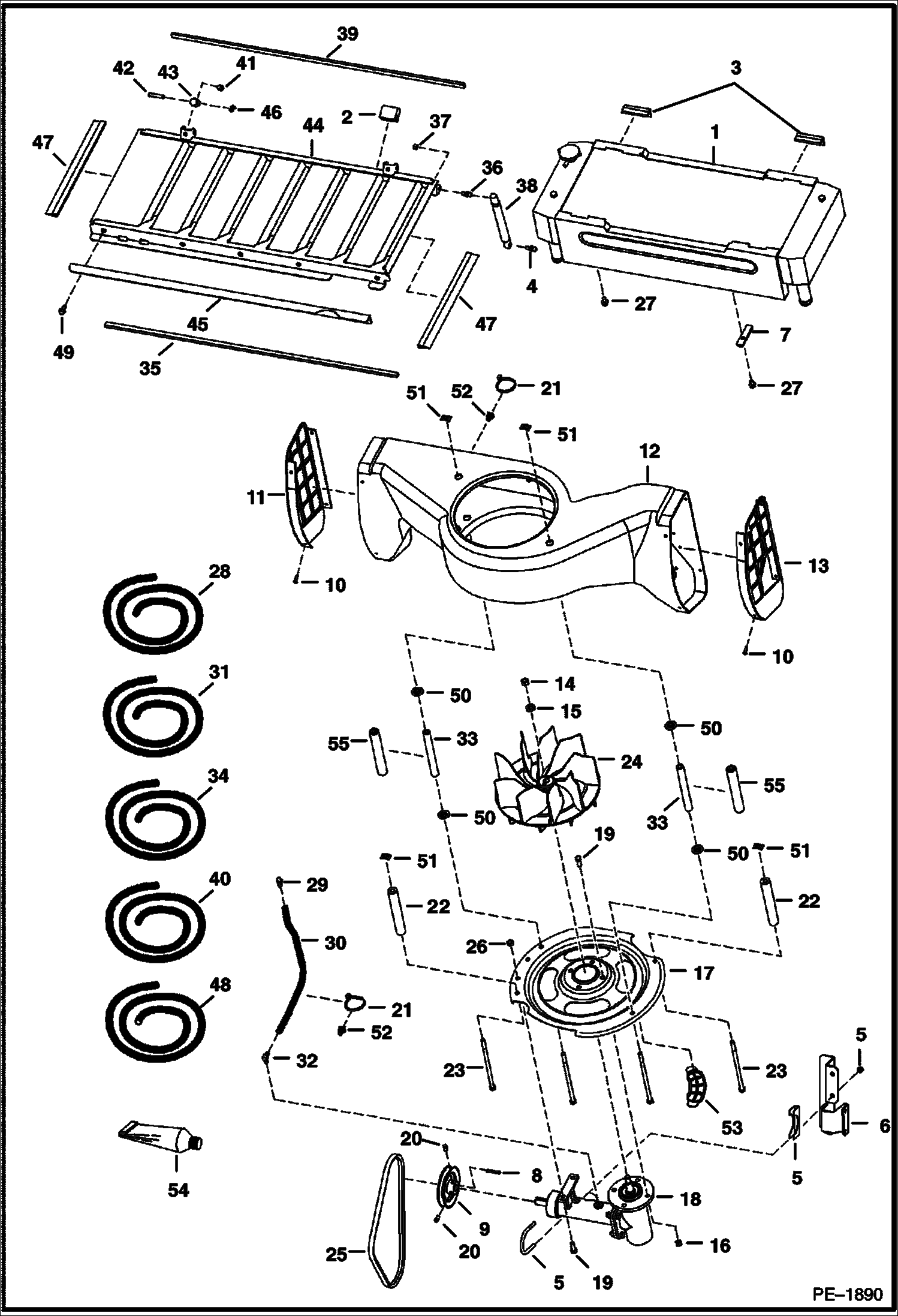
1

6666384

EXCHANGER, WATER RADIATOR

2

6579613

STOP

3

MOULDING NLA - 3'' (76,2 mm) long -Order Ref. 28

4

6705052

BALL STUD weld on

5

6626631

CLAMP

6

7102200

SHIELD belt - Was 6719851 - A

7

6679991

SEAL washer

8

7J2108

KEY

9

6715924

PULLEY 4.5 in. (114,3mm) O.D.

9

7100034

PULLEY 5.5'' (139,7 mm) O.D. - Export

10

6706517

SCREW

11

6716571

LOUVER, PLASTIC LH plastic - LH

12

6700329

HOUSING

13

6716572

LOUVER, PLASTIC RH RH - plastic

14

86D8

NUT

15

6701097

WASHER

16

7D6

NUT

17

7107175

INLET 4-slot - Was 6717478 - A

18

6734104

HOUSING ASSY. See Illustration COOLING FAN DRIVE ASSY./ PE2349

19

17C616

BOLT 5

20

6715143

SET SCREW

21

6624289

STRAP, TIE

22

6577382

SPACER

23

17C6116

BOLT

24

6715142

FAN

25

6715478

BELT, FAN fan - 40'' (1016,0mm) long

25

6732416

BELT fan - 41''(1041,4 mm) long - Export

26

61D6

NUT 5

27

35C508

BOLT

28

6649402

MOULDING bulk - Sold Per Foot

29

6680970

BREATHER

30

HOSE NLA - 19-1/2'' (495,3 mm) long - Order Ref. 31

31

6577822

HOSE bulk - sold per foot

32

6657376

ELBOW

33

6732318

SPACER

34

6511855

SEAL self adhesive - bulk - sold per foot

35

FOAM NLA - 42''(1067mm)long -Order Ref. 34

36

6649244

BALL STUD

37

61D5

NUT

38

6674285

GAS SPRING

39

FOAM STRIP NLA - 34.5''(876,3 mm ) long - Order Ref. 40

40

6511855

SEAL self adhesive - bulk - sold per foot

41

17C608

BOLT

42

6567743

PIN

43

6579326

MOUNT

44

6718291

GRILL

45

6708981

BRACKET

46

6631418

RING, RETAINING

47

MOULDING NLA - 14.65''(372,1 mm) long - Order Ref. 48

48

6646705

SEAL bulk - sold per foot

49

84G3112

BOLT 5

50

6732457

WASHER

51

6684033

NUT spring

52

6678666

MOUNT, STRAP TIE push in - Use W/tie strap

53

6684474

INSERT FAN INLET

54

6650407

ADHESIVE tube - 1 oz

55

SPACER NLA - 1 in. (25,4 mm) O.D. W/welded end washers - Order Ref. 22 & (2) of Ref. 50

Выбрано товаров: 57