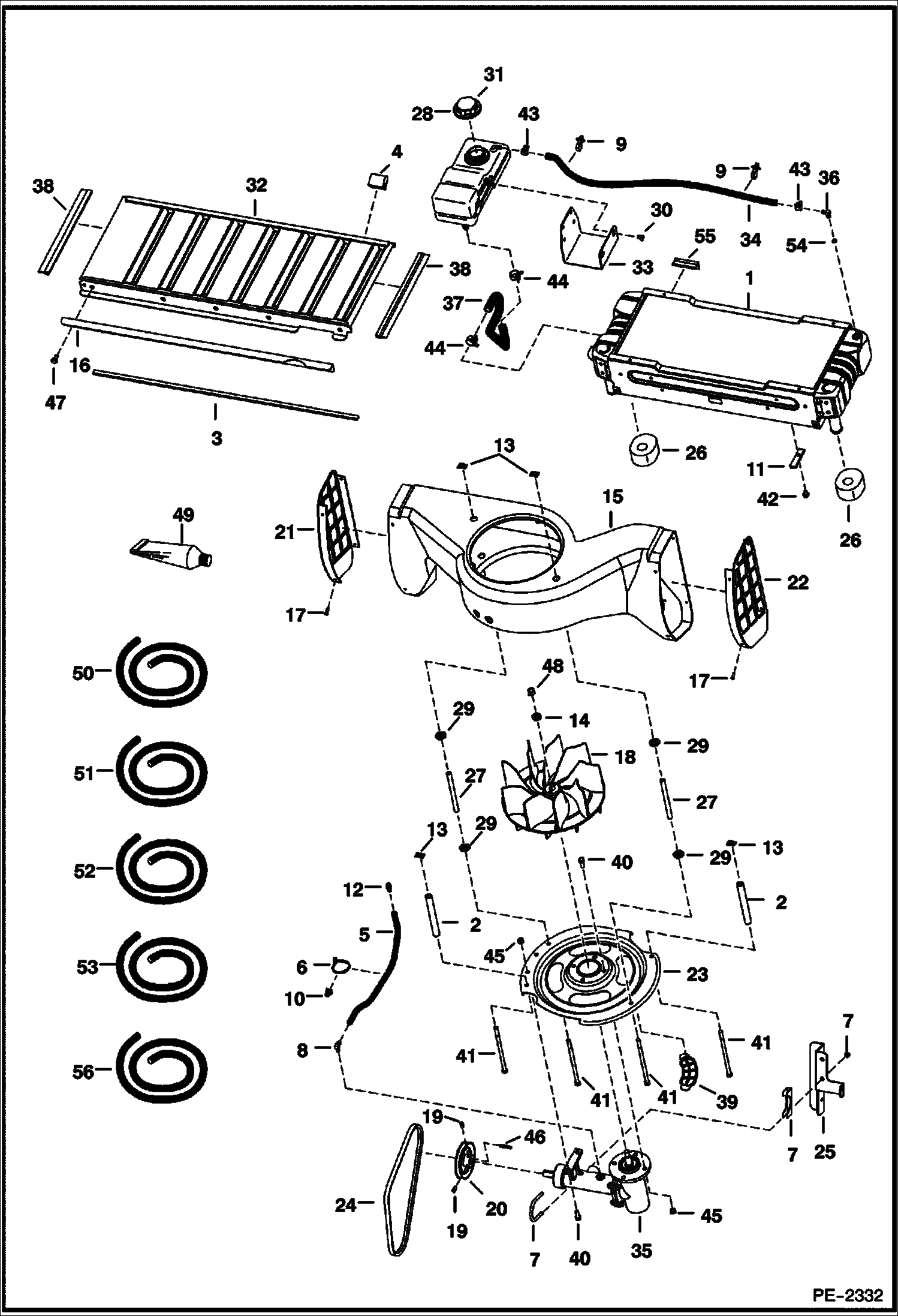
Запчасти Bobcat S-Series COOLING SYSTEM (S/N 524614400 & Above, 524711900 & Above) POWER UNIT

Схема запчастей Bobcat S-Series - COOLING SYSTEM (S/N 524614400 & Above, 524711900 & Above) POWER UNIT
FIT
1:1
100%

Артикул

Название

Примечание

Количество

1

6736362

EXCHANGER, WATER RADIATOR Was 6734100 - B

2

6577382

SPACER

3

FOAM STRIP NLA - 34.5'' (876,3mm) long - Order Ref. 52

4

6579613

STOP

5

HOSE NLA - 16.5'' (419,1 mm) long - Order Ref. 53

6

6624289

STRAP, TIE

7

6626631

CLAMP

8

6657376

ELBOW

9

6675734

STRAP, TIE button head

10

6678666

MOUNT, STRAP TIE push in - Use W/tie strap

11

6679991

SEAL washer

12

6680970

BREATHER

13

6684033

NUT

14

6701097

WASHER

15

7153544

HOUSING Was 7104117 - A

16

6703471

BRACKET

17

6706517

SCREW plastic louvers

18

6715142

FAN

19

6715143

SET SCREW bond W/Ref. 49

20

6715924

PULLEY 4.5'' (114,3 mm) O.D.

20

7100034

PULLEY 5.5'' (139,7 mm) O.D. - Export

21

6716571

LOUVER, PLASTIC LH plastic - LH

22

6716573

LOUVER, PLASTIC RH plastic - RH

23

7107175

INLET 4-slot - Was 6717478 - A

24

7102447

BELT fan - 39'' (990,6mm) long - Was 6718730 - B

24

6732416

BELT fan - 41'' (1041,4 mm) long - Export

25

7102200

SHIELD belt - Was 6719851 - A

26

6736378

SPACER Was 6726433 - B

27

6732318

SPACER

28

6736379

TANK expansion - Was 6732375 - B

29

6732457

WASHER step

30

7162194

MOUNT, TANK COOLANT W/slotted mounting holes - Was 6732870 - A

31

6733429

CAP

31

6733996

DECAL, WARNING engine coolant - 14 psi

32

6736359

GRILL Was 6733804 - B

33

6733886

BOLT

34

HOSE NLA - 36'' (914,4 mm) long - Order Ref. 50

35

6734104

HOUSING ASSY. See Illustration COOLING FAN DRIVE ASSY./ PE2349

36

6734236

ADAPTER W/Ref. 54

37

7101090

HOSE Was NLA - D

38

MOULDING NLA - 16.8'' (426,7 mm) long - Order Ref. 51

39

6684474

INSERT FAN INLET

40

17C616

BOLT 5

41

17C6116

BOLT

42

35C516

BOLT 10 Was 35C000508B - A

43

5HM14

CLAMP

44

5HM24

CLAMP

45

61D6

NUT 5

46

7J2108

KEY

47

84G3112

BOLT 5

48

96D8

NUT

49

6650407

ADHESIVE tube - 1 oz

50

6577822

HOSE bulk - sold per foot

51

6646705

SEAL bulk - sold per foot

52

6511855

SEAL self adhesive - bulk - sold per foot

53

6578172

HOSE bulk - sold per foot

54

79K2

O RING 10

55

MOULDING NLA - 3'' (76,2 mm) long - Order Ref. 56

56

6649402

MOULDING bulk - Sold Per Foot

Выбрано товаров: 59