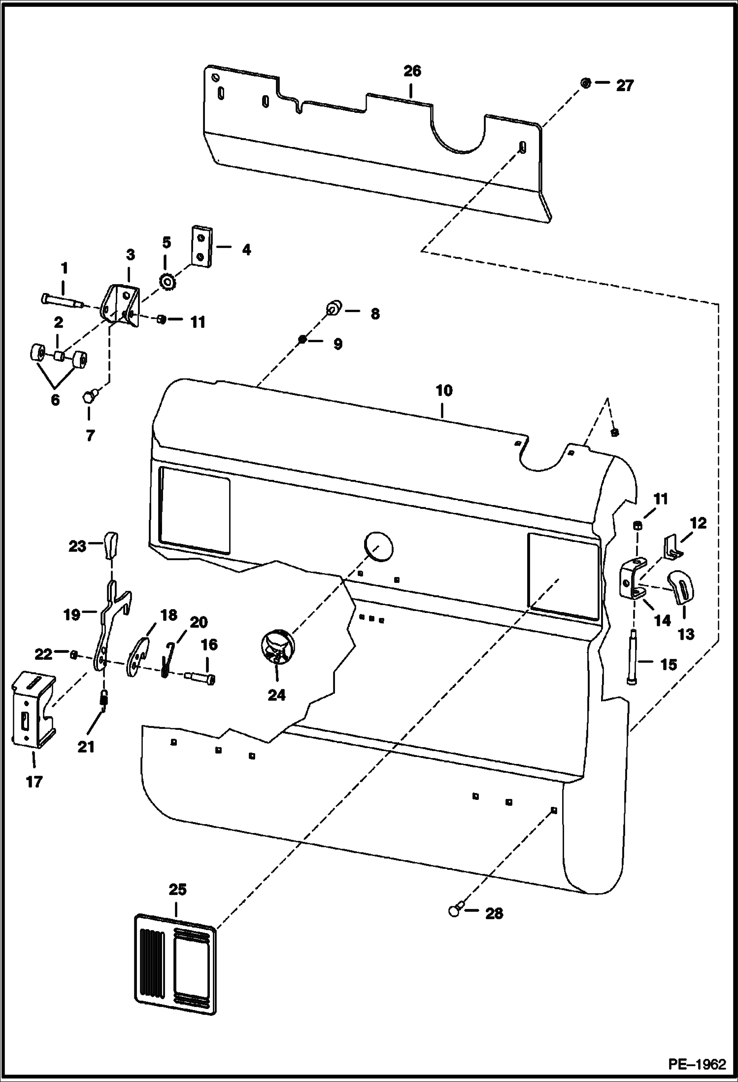
Запчасти Bobcat S-Series REAR DOOR MAIN FRAME

Схема запчастей Bobcat S-Series - REAR DOOR MAIN FRAME
FIT
1:1
100%

Артикул

Название

Примечание

Количество

1

38C840

BOLT carriage

2

6809734

BUSHING

3

6809727

CHANNEL

4

6719525

BAR threaded striker

5

6675273

WASHER lock

6

6809726

ROLLER

7

17C820

BOLT

8

6733616

BUMPER tapered

9

61D5

NUT

10

6729991

REAR DOOR

11

59D6

NUT

12

6719766

STOP

13

6714126

DOOR STOP

14

6733575

HINGE, REAR DOOR weld on

15

6809845

BOLT

16

38C824

SCREW

17

6729939

LATCH PLATE weld on

18

6733667

LATCH, REAR DOOR

19

6732715

LATCH

20

6810132

SPRING

21

6810141

SPRING

22

85D6

NUT, 5

23

6564452

GRIP

24

6718796

PLUG

25

6670287

COVER

26

6725256

COUNTERWEIGHT Model S160

26

6725256

COUNTERWEIGHT

27

57D6

NUT 5

27

57D6

NUT 5

28

37C632

BOLT

28

37C632

BOLT

Выбрано товаров: 31