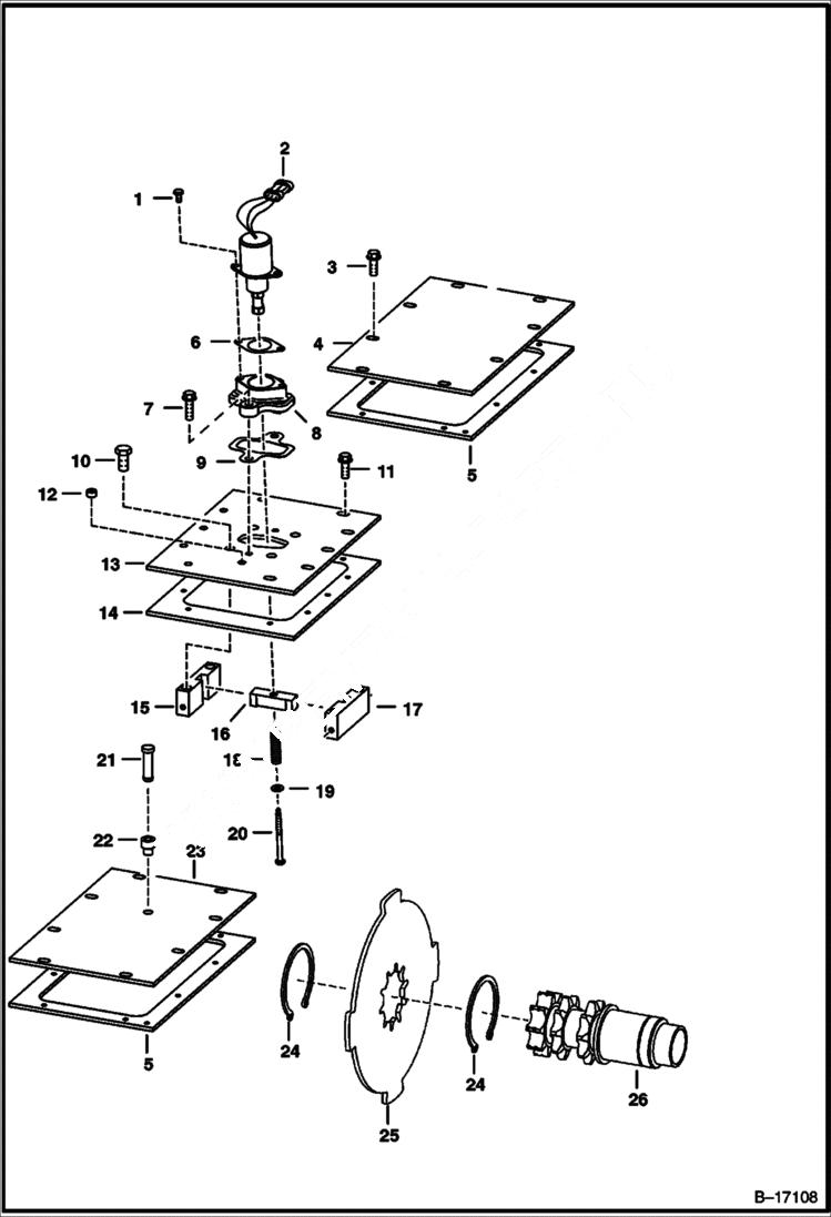
Запчасти Bobcat S-Series DISC BRAKE (Non-Flat Top Chaincase) DRIVE TRAIN
№
Артикул
Название
Примечание
Количество
1
17C412
BOLT 5
4
6729173
COVER
5
6703097
GASKET, TRANS COVER
6
6706737
GASKET
7
84G3720
BOLT
8
6706718
MOUNT
9
6708016
GASKET
10
17C820
BOLT
12
6544654
BUSHING spacer
13
6706042
COVER
14
6706968
GASKET
15
6719056
BLOCK guide - LH
17
6719057
BLOCK guide - RH
21
6680970
BREATHER
23
6700330
COVER
24
6658672
SNAP RING
26
7161187
SHAFT, TRANS See Illustration MOTOR CARRIER/ PE1893 - double snap ring groove - Was 6733621 - A
Выбрано товаров: 27