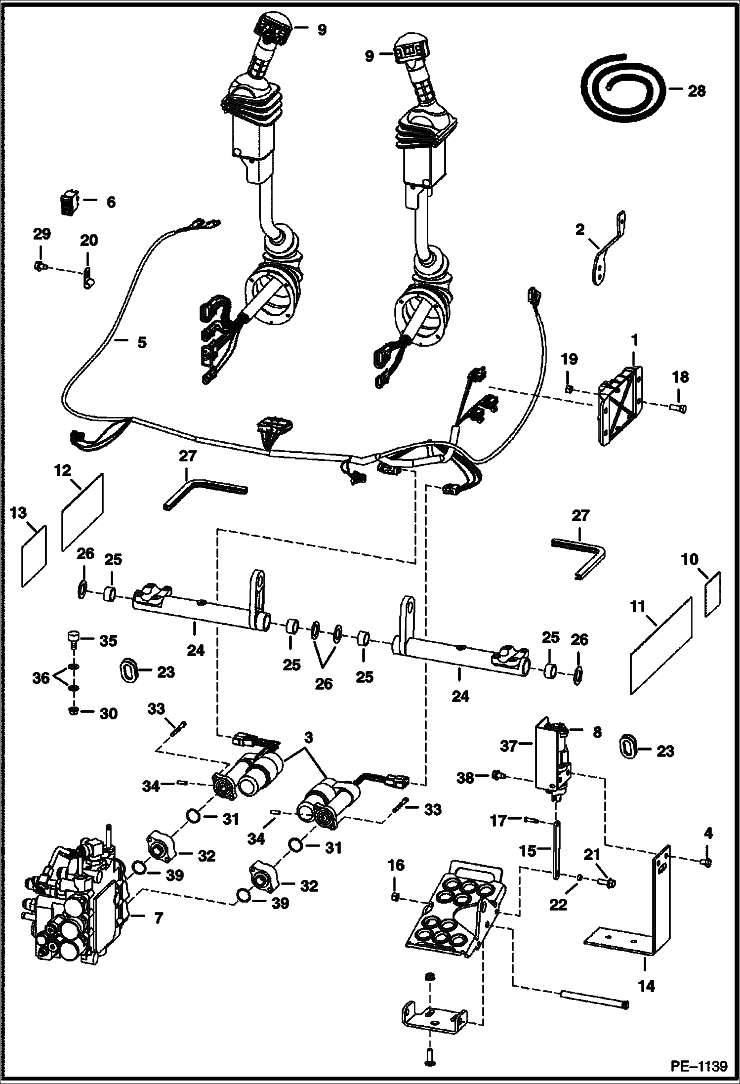
Запчасти Bobcat S-Series CONTROLS ELECTRICAL (AHC) (ACS) ELECTRICAL SYSTEM

Схема запчастей Bobcat S-Series - CONTROLS ELECTRICAL (AHC) (ACS) ELECTRICAL SYSTEM
FIT
1:1
100%

Артикул

Название

Примечание

Количество

1

6680410

CONTROLLER plastic - W/ 3-connector plug

2

6717393

LEVER throttle

3

ACTUATOR NLA - Use W/Ref. 31 (58K120 O-ring) & Ref. 32 (6725128 adapter) - Order 7101672 actuator & Ref. 32 (7101705 adapter) - Was 6678775 - A

3

ACTUATOR NLA - W/Ref. 31 (6686220 O-ring) - Use W/Ref. 32 (7101705 adapter) - Was 7103129 - A

3

7101672

ACTUATOR W/Ref. 31 (58K120 O-ring) - Use W/Ref. 32 (7101705 adapter)

4

17C608

BOLT

5

6733292

HARNESS, ACS

6

6676537

SWITCH

7

VALVE See Illustration HYDRAULIC CONTROL VALVE/ PE1138R

8

6684912

SENSOR, FOOT RH See Illustration CONTROLS ELECTRICAL/ PE1553

8

6676029

SOLENOID, LOCK SPOOL

8

6684911

SENSOR, FOOT LH See Illustration CONTROLS ELECTRICAL/ PE1553

8

6676029

SOLENOID, LOCK SPOOL

9

6684915

LEVER, ACS RH See Illustration CONTROLS ELECTRICAL/ PE1365 - tilt - RH

9

6684916

LEVER, ACS LH See Illustration CONTROLS ELECTRICAL/ PE1365 - lift - LH

10

6718706

DECAL, WARNING raising cab

11

6728539

DECAL

11

6734646

DECAL, WARNING selectable joystick controls

12

6727926

DECAL, OPERATION hand & foot controls

13

6727926

DECAL, OPERATION hand & foot controls - Was 6727941 - A

14

7126869

BRACKET Was 6726573 - A

15

6726681

LINK

16

95D5

NUT

17

6727496

PIN

18

17C616

BOLT 5

19

95D6

NUT

20

30H62

CLIP

21

17C514

BOLT

22

6729467

SPACER

23

6714726

GROMMET

24

6716977

BELLCRANK

25

6673710

BEARING, NEEDLE

26

6716916

WASHER plastic

27

MOULDING NLA - 10.5'' (266,7 mm) long - Order Ref. 28

28

6654139

MOULDING bulk - sold per foot

29

84G3710

SCREW

30

98D6

NUT See Illustration HAND CONTROLS/ PE2027

31

58K120

O-RING Use W/Ref. 3 (NLA/ 6678775 actuator & 7101672 actuator)

31

6686220

O-RING Use W/Ref. 3 (NLA/ 7103129 actuator)

32

6725128

ADAPTER actuator - W/ O-ring groove - Use W/Ref. 3 (NLA/ 6678775 actuator)

32

7101705

ADAPTER, ACTUATOR W/O O-ring groove - Use W/Ref. 3 (NLA/ 7103129 actuator & 7101672 actuator)

33

69G436

BOLT

34

7108236

PIN Was 6718506 - A

35

6673789

BEARING See Illustration HAND CONTROLS/ PE2027

36

25E17

WASHER 5 See Illustration HAND CONTROLS/ PE2027

37

6680478

SHIELD RH

37

6680479

SHIELD LH

38

43C408

BOLT

39

1K127

O-RING 10 Was 93K127 - A

Выбрано товаров: 0