Запчасти Bobcat S-Series BACK-UP ALARM (S/N 5269 16374 & Bel, 5268 15103 & Bel, 5267 15775 & Bel,5266 15060 & Bel) Manual Hand Controls ACCESSORIES & OPTIONS

Схема запчастей Bobcat S-Series - BACK-UP ALARM (S/N 5269 16374 & Bel, 5268 15103 & Bel, 5267 15775 & Bel,5266 15060 & Bel) Manual Hand Controls ACCESSORIES & OPTIONS
FIT
1:1
100%

Артикул

Название

Примечание

Количество

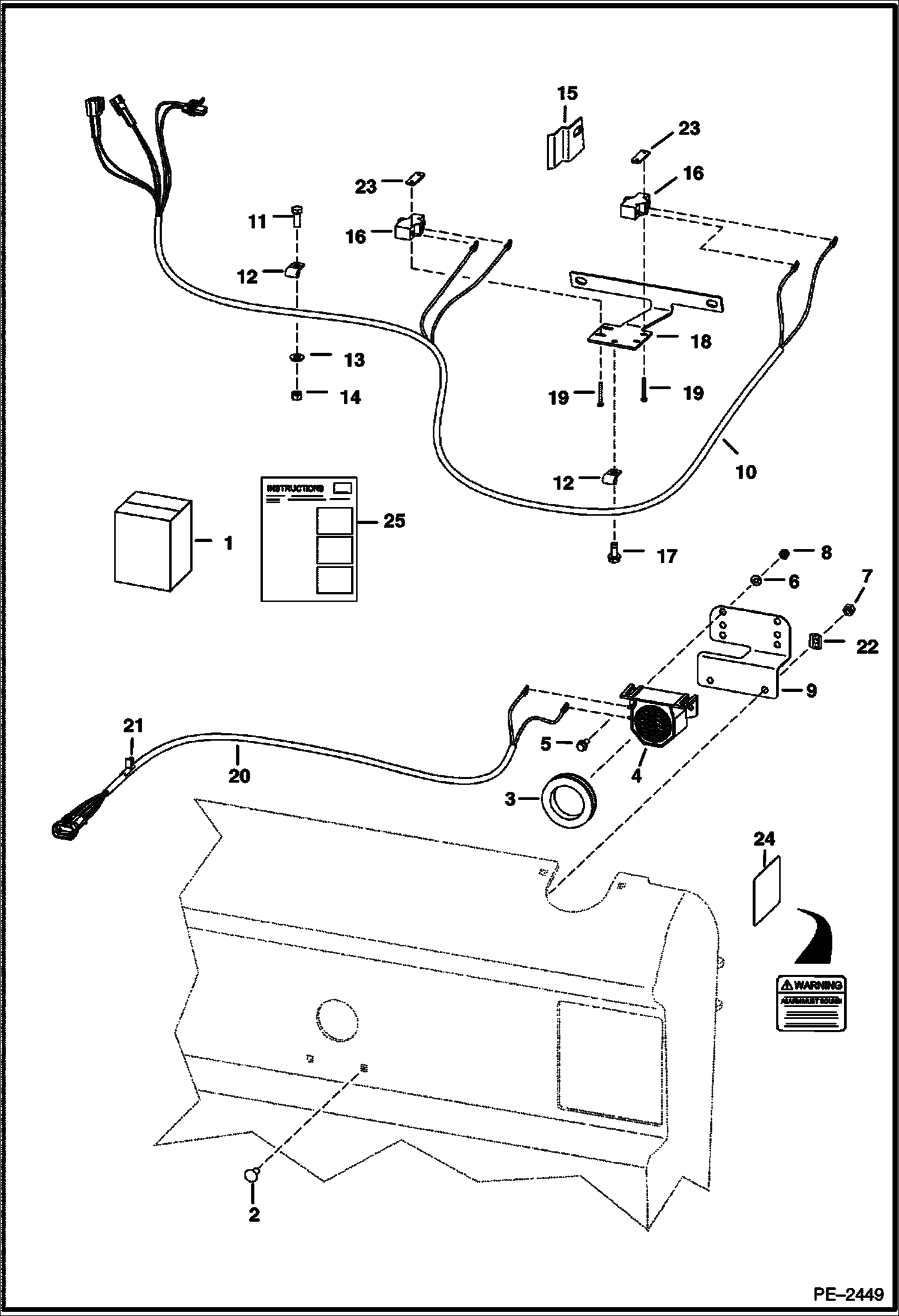
1

6718822

KIT backup alarm - Ref. 2 - 25

2

10C512

BOLT Was 37C000512B - B

3

6577545

GROMMET

4

6651512

ALARM, BACK-UP Was 6599931 - A

4

6668879

DECAL

5

17C410

BOLT 10

6

25E13

WASHER 5

7

57D5

NUT Was 61D000005B - B

8

83D4

NUT 10

9

6733970

MOUNT

10

6718820

HARNESS

11

17C412

BOLT 5

12

30H19

CLIP insulated

13

6E4

WASHER 10

14

61D4

NUT 5

15

6713793

BRACKET switch

16

6646781

SWITCH alarm

17

84G3112

BOLT 5

18

7100153

MOUNT switch

19

59G616

SCREW 10

20

6715659

HARNESS Use on loaders W/O rear lights - comes W/Ref. 21

21

6672492

RETAINER

22

774220

NUT

23

6702593

SPACER

24

6737189

DECAL, WARNING backup alarm

25

6900857

INSTRUCTIONS Warning

Выбрано товаров: 26